
MIL-PRF-39012/30H
Inches
mm
Inches
mm
Inches
mm
Inches
mm
.001
0.03
.033
0.84
.145
3.68
.220
5.59
,002
0.05
.035
0.89
.175
4.45
.230
5.84
.003
0.08
.040
1.02
.183
4.65
.235
5.97
.005
0.13
.043
1.09
.206
5.23
.245
6.22
.015
0.38
.067
1.70
.210
5.33
.250
6.35
.017
0.43
.083
2.11
.212
5.38
.478
12.14
.500
12.70
A
Crimp
Basic crimp
Color
Color
Crimp die or
Contact No.
+0.001
Tensile min.
Dash No.
tool 2/
band
band
1/
positioner
-0.002
(N)
10 lbs
X501
230 12
.033
Orn
(44.48)
M22520/1-
M22520/1-12
01
6 lbs
X502
30 11
.017
Blue
Violet
(26.69)
M22520/1-
X503
20 lbs
30 10
.043
M22520/1-12
Red
X504
01
(88.96)
1/ Contact numbers and ferrule numbers are for identification only.
2/ Class 2 tool may be used by OEM (see MIL-DTL-22520).
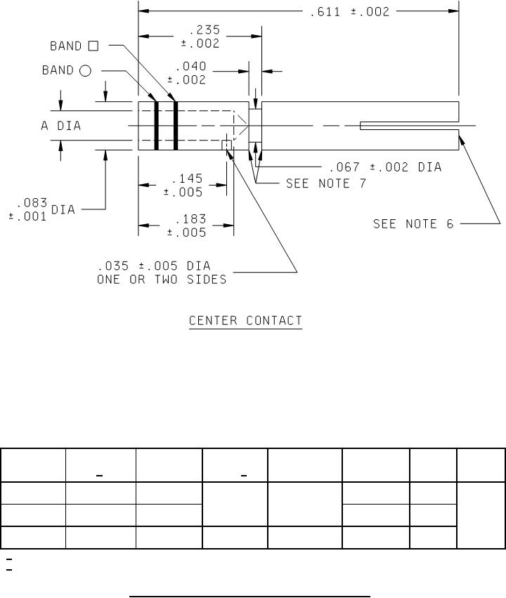
FIGURE 2. Contact and ferrule dimensions for category D only - Continued.
6
For Parts Inquires submit RFQ to Parts Hangar, Inc.
© Copyright 2015 Integrated Publishing, Inc.
A Service Disabled Veteran Owned Small Business