
INCH-POUND
MIL-PRF-39012/34B
09 September 2013
SUPERSEDING
MIL-C-39012/34A
11 January 1973
PERFORMANCE SPECIFICATION SHEET
CONNECTORS, COAXIAL, RADIO FREQUENCY
(SERIES TNC (UNCABLED) RECEPTACLE, SOCKET,
HERMETIC SEALED, JAM NUT MOUNTED, CLASS 2)
This specification is approved for use by all Departments and
Agencies of the Department of Defense.
The requirements for acquiring the product described herein shall
consist of this specification sheet and MIL-PRF-39012.
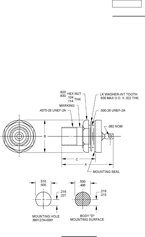
FIGURE 1. General configuration.
AMSC N/A
FSC 5935
For Parts Inquires submit RFQ to Parts Hangar, Inc.
© Copyright 2015 Integrated Publishing, Inc.
A Service Disabled Veteran Owned Small Business