
INCH-POUND
MIL-PRF-39012/38J
8 June 2011
SUPERSEDING
MIL-PRF-39012/38H
9 August 2006
PERFORMANCE SPECIFICATION SHEET
CONNECTORS, RECEPTACLE, ELECTRICAL, COAXIAL, RADIO FREQUENCY
(SERIES SC (CABLED), SOCKET CONTACT, FLANGE MOUNTED, REAR MOUNTED, CLASS 2)
This specification is approved for use by all Departments
and Agencies of the Department of Defense.
The requirements for acquiring the product described herein shall
consist of this specification sheet and MIL-PRF-39012.
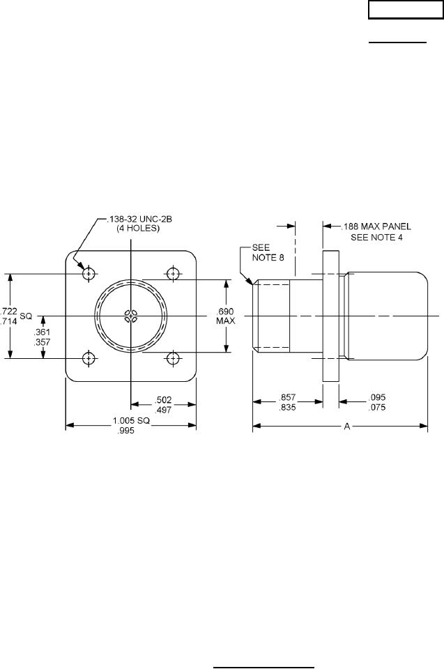
Inches
mm
Inches
mm
Inches
mm
Inches
mm
.075
1.91
3.57
9.07
.690
17.53
.857
21.77
.095
2.41
3.61
9.17
.714
18.14
.995
25.27
.138
3.51
4.97
12.62
.722
18.34
1.005
25.53
.199
4.78
5.02
12.75
.835
21.21
NOTES:
1. Dimensions are in inches.
2. Metric equivalents are given for information only.
3. For dimension A, see tables I and III.
4. Receptacle not recommended for use on panels with greater than .078 inch (1.98 mm) maximum
thickness.
5. Wrench flats to accommodate standard wrench in accordance with FED-STD-H28.
6. Dimension A defines the maximum length of the connector when assembled to the appropriate
cable.
7. All undimensioned pictorial configurations are for reference purposes only.
8. Series SC, socket contact interface, in accordance with MIL-STD-348.
FIGURE 1. General configuration.
AMSC N/A
FSC 5935
For Parts Inquires submit RFQ to Parts Hangar, Inc.
© Copyright 2015 Integrated Publishing, Inc.
A Service Disabled Veteran Owned Small Business