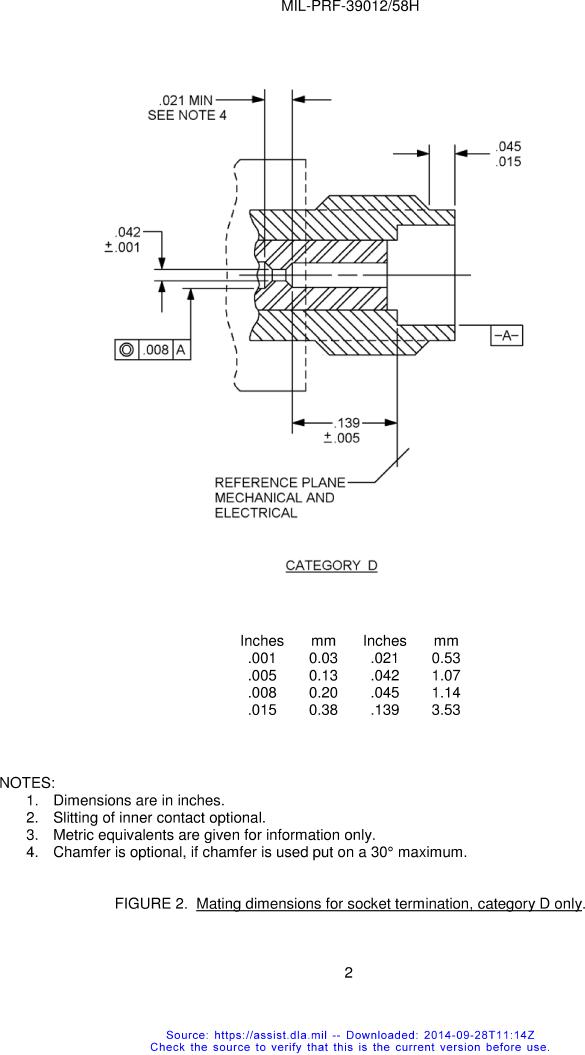
MIL-PRF-39012-58 Connectors, Receptacles, Electrical, Coaxial, Radio Frequency, \(Series Sma \(Cabled\) - Socket Contact, Flange Mounted Class 2\)