
INCH-POUND
MIL-PRF-39012/69C
16 November 2011
SUPERSEDING
MIL-PRF-39012/69B
24 September 1986
PERFORMANCE SPECIFICATION SHEET
CONNECTORS, PLUGS, ELECTRICAL, COAXIAL, RADIO FREQUENCY,
SERIES SMB (CABLED, SOCKET CONTACT, RIGHT ANGLE CLASS 2)
This specification is approved for use by all Departments
and Agencies of the Department of Defense.
The requirements for acquiring the product described herein shall
consist of this specification sheet and MIL-PRF-39012.
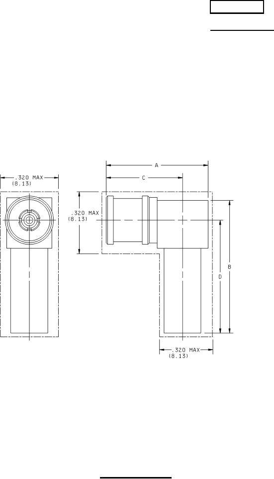
NOTES:
1. Dimensions are in inches.
2. Metric equivalents are in parentheses.
3. Metric equivalents are given for information only.
4. For dimension A, B, C and D, see table I.
5. Wrench flats are to accommodate standard wrench opening in accordance with FED-STD-H28,
appendix 10.
6. Dimension B defines the overall length of the connector when assembled to the cable.
7. Maximum overall diameter of the connector is .320 inch (8.13 mm).
8. All undimensioned pictorial configurations are for reference purposes only.
9. Series SMB, socket contact interface in accordance with MIL-STD-348.
FIGURE 1. General configuration.
AMSC N/A
FSC 5935
For Parts Inquires submit RFQ to Parts Hangar, Inc.
© Copyright 2015 Integrated Publishing, Inc.
A Service Disabled Veteran Owned Small Business