
INCH-POUND
MIL-PRF-39012/79G
21 October 2008
SUPERSEDING
MIL-PRF-39012/79F
24 January 1992
PERFORMANCE SPECIFICATION SHEET
CONNECTORS, PLUG, ELECTRICAL, COAXIAL, RADIO FREQUENCY,
SERIES SMA (CABLED) PIN CONTACT, CLASS 2, SEMIRIGID CABLE
This specification is approved for use by all Departments
and Agencies of the Department of Defense.
The requirements for acquiring the product described herein shall
consist of this specification sheet and MIL-PRF-39012.
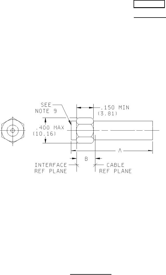
NOTES:
1. Dimensions are in inches.
2. Metric equivalents are given for information only.
3. Dimension .400 (10.16) in the largest overall envelope of the connector.
4. Wrench flats are to accommodate standard wrench opening in accordance with FED-STD-H28,
appendix 10.
5. Dimension A defines the length of the connector when assembled to the cable.
6. When applicable, three holes .016 (0.41 mm) minimum diameter, equally spaced, are required for
safety wiring after mating. Location on the coupling nut is optional.
7. All undimensioned pictorial configurations are for reference purposes only.
8. All threads shall be in accordance with FED-STD-H28.
9. Series SMA, pin contact interface in accordance with MIL-STD-348.
FIGURE 1. General configuration.
AMSC N/A
FSC 5935
For Parts Inquires submit RFQ to Parts Hangar, Inc.
© Copyright 2015 Integrated Publishing, Inc.
A Service Disabled Veteran Owned Small Business