
INCH-POUND
MIL-PRF-39012/81G
18 January 2007
SUPERSEDING
MIL-PRF-39012/81F
24 January 1992
PERFORMANCE SPECIFICATION SHEET
CONNECTORS, PLUG, ELECTRICAL, COAXIAL, RADIO FREQUENCY,
SERIES SMA (CABLED, SEMIRIGED) SOCKET CONTACT, CLASS 2
This specification is approved for use by all Departments
and Agencies of the Department of Defense.
The requirements for acquiring the product described herein shall
consist of this specification sheet and MIL-PRF-39012.
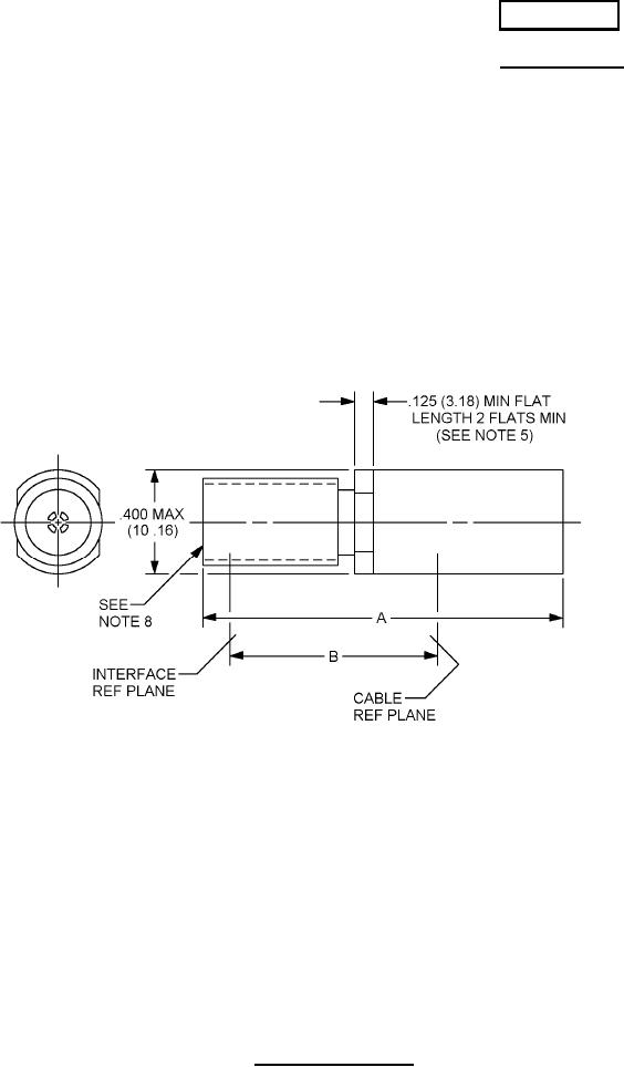
NOTES:
1. Dimensions are in inches.
2. Metric equivalents are given for information only.
3. Metric equivalents are in parentheses.
4. Receptacle recommended for component part use and for use on panels with a .080 inch (2.03
mm) maximum thickness.
5. Wrench flats are to accommodate standard wrench opening in accordance with FED-STD-H28,
appendix 10.
6. All undimensioned pictorial configurations are for reference purposes only.
7. Dimension A defines the overall length of the connector when assembled to the cable.
8. Series SMA, socket contact interface, in accordance with MIL-STD-348.
9. All threads shall conform to FED-STD-H28.
FIGURE 1. General configuration.
AMSC N/A
FSC 5935
For Parts Inquires submit RFQ to Parts Hangar, Inc.
© Copyright 2015 Integrated Publishing, Inc.
A Service Disabled Veteran Owned Small Business