
MIL-PRF-39012/82G
Inches
mm
Inches
mm
Inches
mm
Inches
mm
.005
.310
7.87
.481
12.22
0.13
4.19
.168
.055
.312
7.92
.510
12.95
1.40
4.45
.175
.075
.315
8.00
.625
15.88
1.91
5.66
.223
.338
8.59
.850
21.59
.099
6.22
2.51
.245
.340
8.64
6.48
.102
.255
2.59
7.62
.342
8.69
.106
.300
2.69
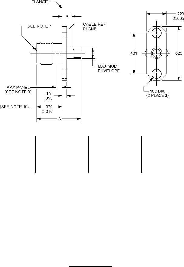
NOTES:
1. Dimensions are in inches.
2. Metric equivalents are given for information only.
3. Receptacle recommended for component part use and for use on panels with a .090 inch (2.29
mm) maximum thickness.
4. Wrench flats are to accommodate standard wrench opening in accordance with FED-STD-H28,
appendix 10.
5. All undimensioned pictorial configurations are for reference purposes only.
6. Dimension A defines the overall length of the connector when assembled to the cable.
7. Series SMA, socket contact interface, in accordance with MIL-STD-348.
8. All threads shall conform to FED-STD-H28.
9. Number 2 screws are recommended for mounting purposes.
10. This dimensional change shall be effective for all products delivered after 1 April 1993.
FIGURE 1. General configuration Continued.
2
For Parts Inquires submit RFQ to Parts Hangar, Inc.
© Copyright 2015 Integrated Publishing, Inc.
A Service Disabled Veteran Owned Small Business