
INCH-POUND
MIL-PRF-39012/83G
18 January 2007
SUPERSEDING
MIL-PRF-39012/83F
24 January 1992
PERFORMANCE SPECIFICATION SHEET
CONNECTORS, RECEPTACLE, ELECTRICAL, COAXIAL, RADIO FREQUENCY,
SERIES SMA (CABLED, SEMIRIGED) JAM NUT MOUNTED, SOCKET CONTACT, CLASS 2
This specification is approved for use by all Departments
and Agencies of the Department of Defense.
The requirements for acquiring the product described herein shall
consist of this specification sheet and MIL-PRF-39012.
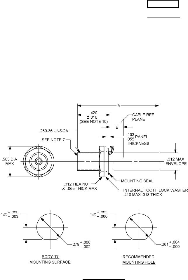
FIGURE 1. General configuration.
AMSC N/A
FSC 5935
For Parts Inquires submit RFQ to Parts Hangar, Inc.
© Copyright 2015 Integrated Publishing, Inc.
A Service Disabled Veteran Owned Small Business