
INCH-POUND
MIL-PRF-39012/94C
7 May 2014
SUPERSEDING
MIL-C-39012/94B
25 January 1995
PERFORMANCE SPECIFICATION SHEET
CONNECTORS, RECEPTACLES, ELECTRICAL, COAXIAL, RADIO FREQUENCY, SERIES SMA,
(UNCABLED), FEMALE, PRINTED CIRCUIT, RIGHT ANGLE, CLASS 2)
This specification is approved for use by all Departments
and Agencies of the Department of Defense.
The requirements for acquiring the product described herein shall
consist of this specification sheet and MIL-PRF-39012.
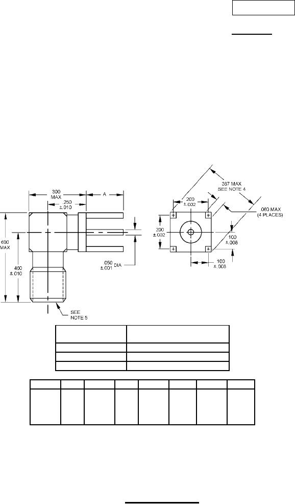
Dash number
Dimension A
(x = shell material)
inches (mm in parentheses)
X001
.155 (3.94 ) ± .010 (0.25)
X002
.125 (3.18) ± .010 (0.25)
X003
.093 (2.36) ± .010 (0.25)
Inches
mm
Inches
mm
Inches
mm
Inches
mm
.001
0.02
.058
1.27
.250
6.35
.600
15.24
.002
0.05
.060
1.52
.367
9.32
.008
0.20
.100
2.54
.380
9.65
.010
0.25
.200
5.08
.460
11.68
NOTES:
1. Dimensions are in inches.
2. Metric equivalents are given for general information only.
3. Configuration optional.
4. Series SMA, socket contact interface in accordance with MIL-STD-348.
5. All corrosion-resistant steel-bodied connectors shall be gold plated in accordance with ASTM B488, type 3,
grade C, class 1.27, at least in the area of solder attachment.
FIGURE 1. General configuration.
AMSC N/A
FSC 5935
For Parts Inquires submit RFQ to Parts Hangar, Inc.
© Copyright 2015 Integrated Publishing, Inc.
A Service Disabled Veteran Owned Small Business