
INCH-POUND
MIL-PRF-49142/10E
-
18 April 2005
SUPERSEDING
MIL-PRF-49142/10D
27 February 2002
PERFORMANCE SPECIFICATION SHEET
CONNECTORS, RECEPTACLE, ELECTRICAL, TRIAXIAL,
RADIO FREQUENCY, UNCABLED (SERIES TRT, SOCKET CONTACT,
JAMNUT MOUNTED, CLASS 2) HERMETIC AND NONHERMETIC
This specification is approved for use by all Departments
and Agencies of the Department of Defense.
The requirements for acquiring the product described herein shall consist of
this specification sheet and MIL-PRF-49142.
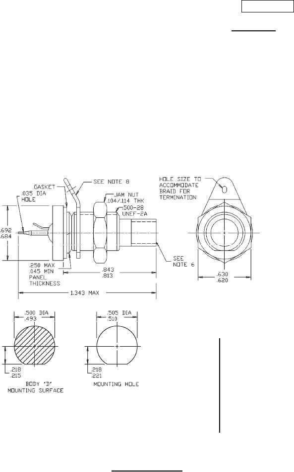
Inches
mm
Inches
mm
12.70
.500
.88
.035
12.71
.505
1.14
.045
12.95
.510
2.64
.104
15.75
.620
2.90
.114
16.00
.630
5.46
.215
17.37
.684
5.54
.218
17.58
.692
5.61
.221
20.65
.813
6.35
.250
21.14
.843
12.52
.493
34.11
1.343
FIGURE 1. General configuration.
AMSC N/A
FSC 5935
For Parts Inquires submit RFQ to Parts Hangar, Inc.
© Copyright 2015 Integrated Publishing, Inc.
A Service Disabled Veteran Owned Small Business