
INCH-POUND
MIL-PRF-49142/12D
18 April 2005
SUPERSEDING
MIL-PRF-49142/12C
27 February 2002
PERFORMANCE SPECIFICATION SHEET
CONNECTORS, PLUG, ELECTRICAL, TRIAXIAL, RADIO FREQUENCY,
(SERIES TRT (CABLED), PIN CONTACT, RIGHT ANGLE, CLASS 2)
This specification is approved for use by all Departments
and Agencies of the Department of Defense.
The requirements for acquiring the product described herein shall consist of
this specification sheet and MIL-PRF-49142.
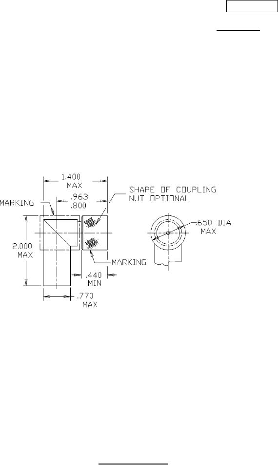
Inches
mm
.440
11.18
.650
16.51
.770
19.56
.800
20.32
.963
24.46
1.400
35.56
2.000
50.80
NOTES:
1. Dimensions are in inches.
2. Metric equivalents are given for information only.
3. Wrench flats are to accommodate standard wrench openings in accordance with FED-STD-H28.
4. 2.000 (50.80 mm) defines the maximum length of the connector when assembled to the appropriate
cable.
5. All undimensioned pictorial representations are for reference purpose only.
6. Interface shall be in accordance with MIL-STD-348, series TRT, pin contact.
FIGURE 1. General configuration.
AMSC N/A
FSC 5935
For Parts Inquires submit RFQ to Parts Hangar, Inc.
© Copyright 2015 Integrated Publishing, Inc.
A Service Disabled Veteran Owned Small Business