
INCH-POUND
MIL-PRF-49142/3F
18 April 2005
SUPERSEDING
MIL-PRF-49142/3E
27 February 2002
PERFORMANCE SPECIFICATION SHEET
CONNECTOR, PLUG, ELECTRICAL, TRIAXIAL, RADIO FREQUENCY
(SERIES TRB, PIN CONTACT, CLASS 2)
This specification is approved for use by all Departments
and Agencies of the Department of Defense.
The requirements for acquiring the product described herein shall consist of
this specification sheet and MIL-PRF-49142.
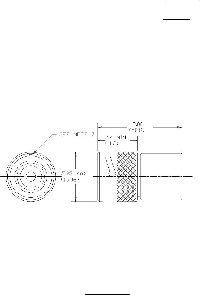
NOTES:
1. Dimensions are in inches.
2. Metric equivalents are given for information only.
3. Metric equivalents are in parentheses.
4. Dimension .593 (15.06 mm) is the largest overall diameter of the connector.
5. Dimension 2.00 (50.8) defines the maximum length of the connector.
6. All undimensioned pictorial representations are for reference purpose only.
7. Alternate keying configurations, see MIL-PRF-49142.
8. Interface shall be in accordance with MIL-STD-348, TRB, pin contact.
9. Wrench flats are to accommodate standard wrench openings in accordance with FED-STD-H28.
FIGURE 1. General configuration.
AMSC N/A
FSC 5935
For Parts Inquires submit RFQ to Parts Hangar, Inc.
© Copyright 2015 Integrated Publishing, Inc.
A Service Disabled Veteran Owned Small Business