
INCH-POUND
MIL-PRF-49142/4H
18 April 2005
SUPERSEDING
MIL-PRF-49142/4G
27 February 2002
PERFORMANCE SPECIFICATION SHEET
CONNECTORS, RECEPTACLE, ELECTRICAL, TRIAXIAL,
RADIO FREQUENCY, UNCABLED, (SERIES TRB, SOCKET CONTACT,
JAMNUT MOUNTED, CLASS 2) HERMETIC AND NONHERMETIC
This specification is approved for use by all Departments
and Agencies of the Department of Defense.
The requirements for acquiring the product described herein shall consist of
this specification sheet and MIL-PRF-49142.
Inches
mm
Inches
mm
.022
.56
.505
12.71
.035
.88
.510
12.95
.045
1.14
.620
15.75
.104
2.64
.630
16.00
.114
2.90
.684
17.37
.218
5.54
.692
17.58
.221
5.61
.813
20.65
.250
6.35
.843
21.41
.500
12.70
1.343
34.11
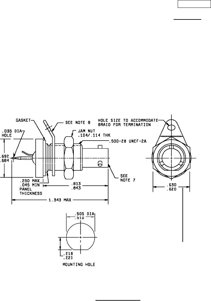
FIGURE 1. General configuration.
AMSC N/A
FSC 5935
For Parts Inquires submit RFQ to Parts Hangar, Inc.
© Copyright 2015 Integrated Publishing, Inc.
A Service Disabled Veteran Owned Small Business