
INCH-POUND
MIL-PRF-49142/5F
18 April 2005
SUPERSEDING
MIL-PRF-49142/5E
27 February 2002
PERFORMANCE SPECIFICATION SHEET
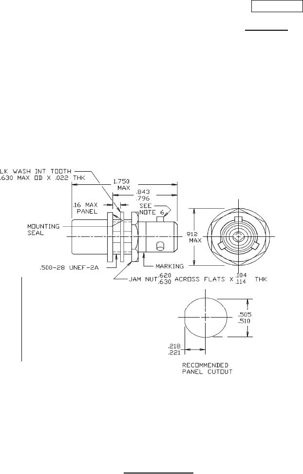
CONNECTOR, RECEPTACLE, ELECTRICAL, TRIAXIAL, RADIO FREQUENCY
(SERIES TRB (CABLED), SOCKET CONTACT,
JAM NUT MOUNTED, CLASS 2)
This specification is approved for use by all Departments
and Agencies of the Department of Defense.
The requirements for acquiring the product described herein shall consist of
this specification sheet and MIL-PRF-49142.
Inches
mm
Inches
mm
.022
0.56
.510
12.95
.104
2.64
.620
15.75
.114
2.90
.630
16.00
.16
4.1
.796
20.22
.218
5.54
.812
20.62
.221
5.61
.843
21.41
.500
12.70
1.750
44.45
.505
12.85
NOTES:
1. Dimensions are in inches.
2. Metric equivalents are given for information only.
3. Wrench flats are to accommodate standard wrench openings in accordance with FED-STD-H28.
4. 1.750 (44.45 mm) defines the maximum length of the connector when assembled to the appropriate
cable.
5. All undimensioned pictorial representations are for reference purpose only.
6. Alternate keying configurations, see MIL-PRF-49142.
7. Interface shall be in accordance with MIL-STD-348, TRB, socket contact.
FIGURE 1. General configuration.
AMSC N/A
FSC 5935
For Parts Inquires submit RFQ to Parts Hangar, Inc.
© Copyright 2015 Integrated Publishing, Inc.
A Service Disabled Veteran Owned Small Business