
INCH-POUND
MIL-PRF-49142/7D
18 April 2005
SUPERSEDING
MIL-PRF-49142/7C
27 February 2002
PERFORMANCE SPECIFICATION SHEET
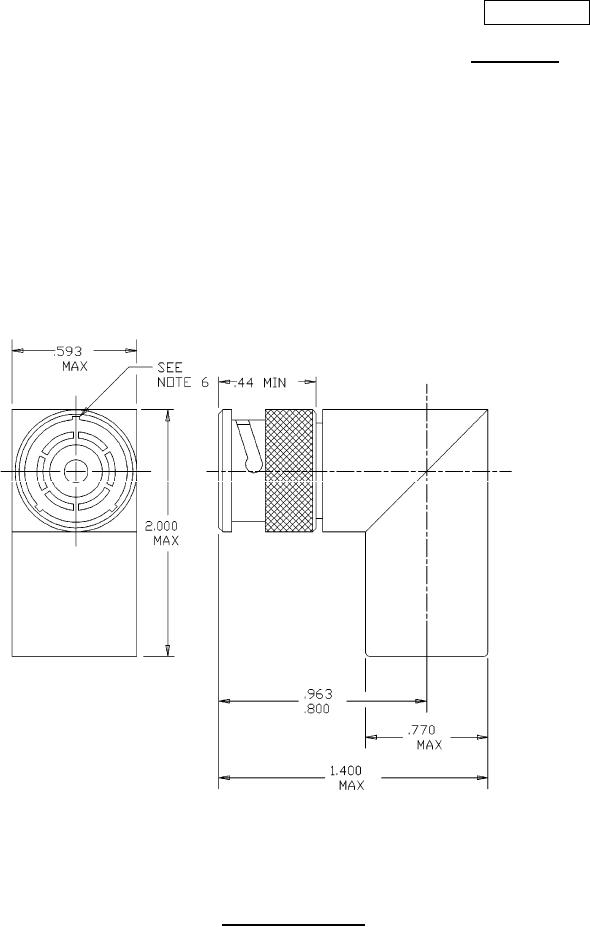
CONNECTOR, PLUG, ELECTRICAL, TRIAXIAL, RADIO FREQUENCY
(SERIES TRB (CABLED), PIN CONTACT, RIGHT ANGLE, CLASS 2)
This specification is approved for use by all Departments
and Agencies of the Department of Defense.
The requirements for acquiring the product described herein shall consist of
this specification sheet and MIL-PRF-49142.
Inches
mm
11.18
.44
12.95
.510
15.06
.593
19.56
.770
20.32
.800
24.46
.963
35.56
1.400
50.80
2.000
FIGURE 1. General configuration.
AMSC N/A
FSC 5935
For Parts Inquires submit RFQ to Parts Hangar, Inc.
© Copyright 2015 Integrated Publishing, Inc.
A Service Disabled Veteran Owned Small Business