
INCH-POUND
MIL-PRF-49142/9D
18 April 2005
SUPERSEDING
MIL-PRF-49142/9C
27 February 2002
PERFORMANCE SPECIFICATION SHEET
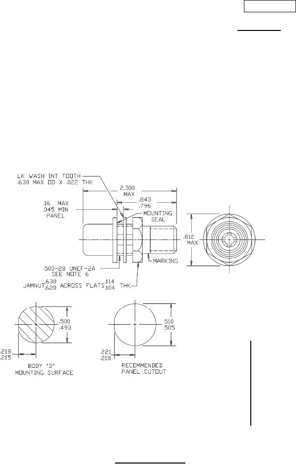
CONNECTOR, TRIAXIAL, RADIO FREQUENCY, (SERIES TRT (CABLED)
RECEPTACLE, SOCKET CONTACT, JAMNUT MOUNTED, CLASS 2)
This specification is approved for use by all Departments
and Agencies of the Department of Defense.
The requirements for acquiring the product described herein shall consist of
this specification sheet and MIL-PRF-49142.
Inches
mm
Inches
mm
.022
0.56
.500
12.70
.045
1.14
.505
12.83
.104
2.64
.510
12.95
.114
2.90
.620
15.75
.16
4.1
.630
16.00
.215
5.46
.796
20.22
.218
5.54
.812
20.62
.221
5.61
.843
21.14
.493
12.52
2.300
58.42
FIGURE 1. General configuration.
AMSC N/A
FSC 5935
For Parts Inquires submit RFQ to Parts Hangar, Inc.
© Copyright 2015 Integrated Publishing, Inc.
A Service Disabled Veteran Owned Small Business