
INCH-POUND
MIL-PRF-55339/12A
25 August 2004
SUPERSEDING
MIL-PRF-55339/12
6 May 1975
PERFORMANCE SPECIFICATION SHEET
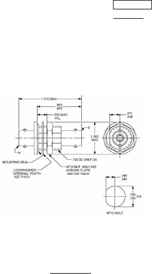
ADAPTER, CONNECTOR, COAXIAL, RADIO FREQUENCY, IN-LINE, JAMNUT MOUNTED,
(WITHIN SERIES C JACK TO SERIES C JACK (HERMETIC)), CLASS 2
This specification is approved for use by all Departments
and Agencies of the Department of Defense.
The requirements for acquiring the product described herein shall
consist of this specification sheet and MIL-PRF-55339.
NOTES:
1. Dimensions are in inches.
2. Metric equivalents are given for general information only.
3. All undimensioned pictorial representations are for reference purposes only.
4. Interface dimensions to be in accordance with MIL-STD-348, series C socket contact.
FIGURE 1. General configuration.
AMSC N/A
FSC 5935
For Parts Inquires submit RFQ to Parts Hangar, Inc.
© Copyright 2015 Integrated Publishing, Inc.
A Service Disabled Veteran Owned Small Business