
INCH-POUND
MIL-PRF-55339/16A
10 January 2005
SUPERSEDING
MIL-STD-55339/16
.
6 May 1975
PERFORMANCE SPECIFICATION SHEET
ADAPTER, CONNECTOR, COAXIAL, RADIO FREQUENCY. IN-LINE,
(WITHIN SERIES BNC JACK TO SERIES BNC JACK), CLASS 2
This specification is approved for use by all Departments
and Agencies of the Department of Defense.
The requirements for acquiring the product described herein shall consist of this specification sheet and
MIL-PRF-55339.
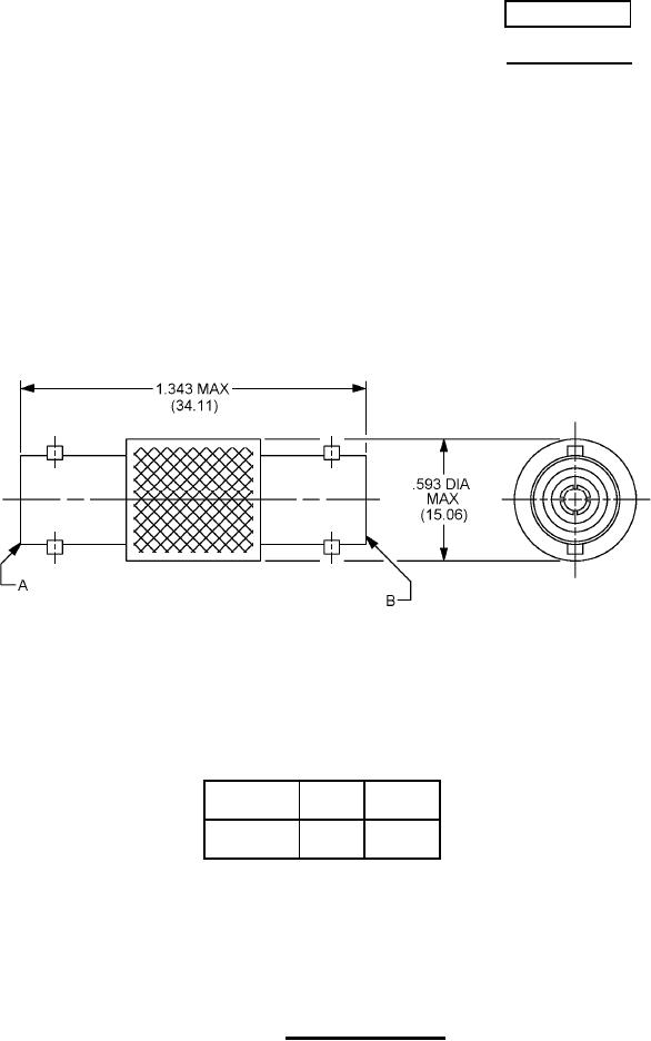
Reference
Series
Contact
A and B
BNC
Socket
NOTES:
1. Dimensions are in inches.
2. Metric equivalents are in parentheses.
3. Metric equivalents are given for information only.
4. All undimensioned pictorial representations are for reference purposes only.
5. Interface dimensions shall be in accordance with MIL-STD-348.
FIGURE 1. General configuration.
AMSC N/A
FSC 5935
For Parts Inquires submit RFQ to Parts Hangar, Inc.
© Copyright 2015 Integrated Publishing, Inc.
A Service Disabled Veteran Owned Small Business