
INCH-POUND
MIL-PRF-55339/19A
17 September 2004
SUPERSEDING
MIL-PRF-55339/19
6 May 1975
PERFORMANCE SPECIFICATION SHEET
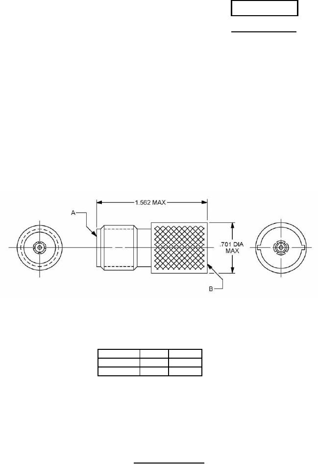
ADAPTER, CONNECTOR, COAXIAL, RADIO FREQUENCY, IN-LINE,
(BETWEEN SERIES N JACK TO SERIES C PLUG), CLASS 2
This specification is approved for use by all Departments
and Agencies of the Department of Defense.
The requirements for acquiring the document described herein shall
consist of this specification sheet and MIL-PRF-55339.
Inches
mm
.781
19.84
1.562
39.67
Reference
Series
Contact
A
N
Socket
B
C
Pin
NOTES:
1. Dimensions are in inches.
2. Metric equivalents are in parentheses.
3. Metric equivalents are given for general information only.
4. All undimensioned pictorial representations are for reference purposes only.
5. Interface dimensions are in accordance with MIL-STD-348, series N socket contact and series C
pin contact.
FIGURE 1. General configuration.
AMSC N/A
FSC 5935
For Parts Inquires submit RFQ to Parts Hangar, Inc.
© Copyright 2015 Integrated Publishing, Inc.
A Service Disabled Veteran Owned Small Business