
INCH-POUND
MIL-PRF-55339/24B
17 September 2004
SUPERSEDING
MIL-PRF-55339/24A
28 February 1979
PERFORMANCE SPECIFICATION SHEET
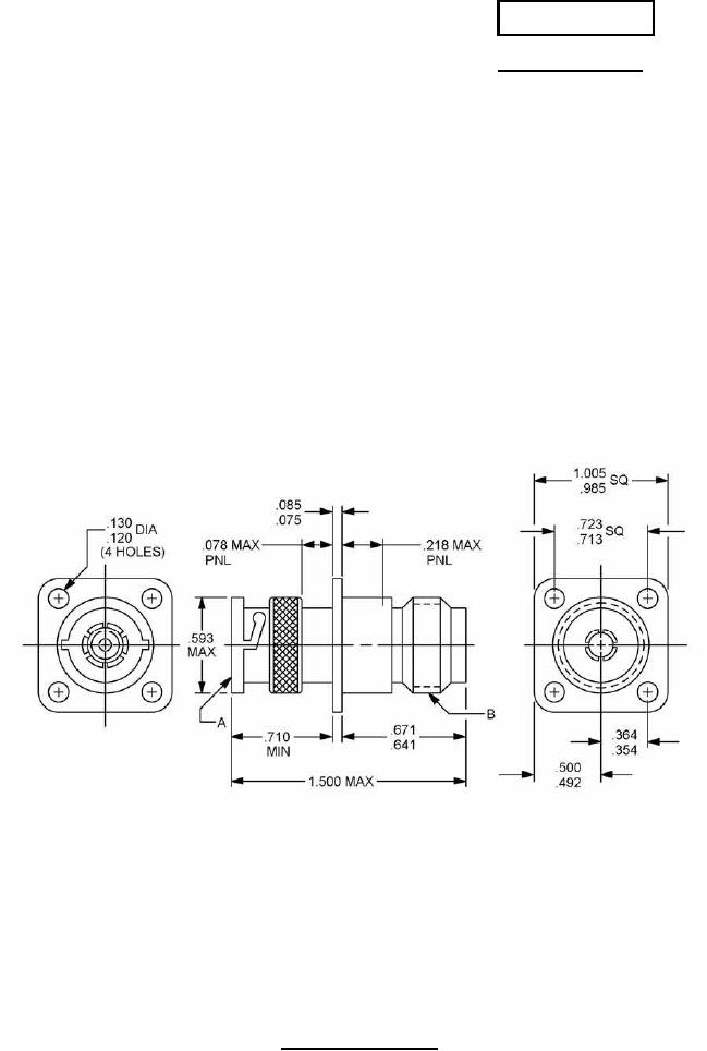
ADAPTER, CONNECTOR, COAXIAL, RADIO FREQUENCY, FLANGE MOUNTED,
(WITHIN SERIES BNC PLUG TO SERIES N JACK), CLASS 2
This specification is approved for use by all Departments
and Agencies of the Department of Defense.
The requirements for acquiring the document described herein shall
consist of this specification sheet and MIL-PRF-55339.
FIGURE 1. General configuration.
AMSC N/A
FSC 5935
For Parts Inquires submit RFQ to Parts Hangar, Inc.
© Copyright 2015 Integrated Publishing, Inc.
A Service Disabled Veteran Owned Small Business