
INCH-POUND
MIL-PRF-55339/25C
17 September 2004
SUPERSEDING
MIL-A-55339/25B
23 March 1988
PERFORMANCE SPECIFICATION SHEET
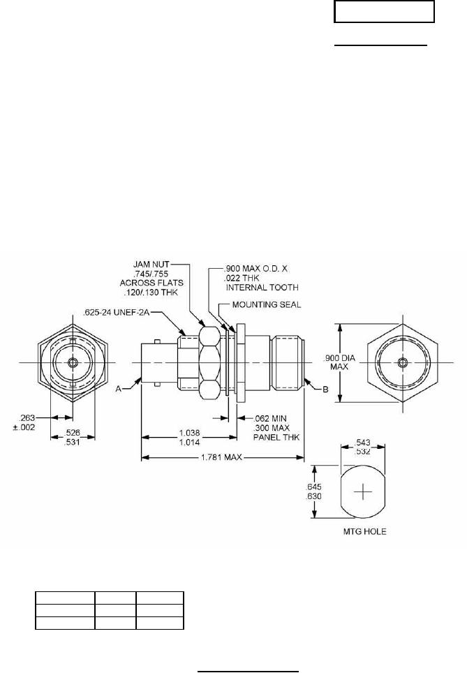
ADAPTER, CONNECTOR, COAXIAL, RADIO FREQUENCY, IN-LINE, JAMNUT MOUNTED,
(BETWEEN SERIES BNC JACK TO SERIES N JACK), CLASS 2
This specification is approved for use by all Departments
and Agencies of the Department of Defense.
The requirements for acquiring the document described herein shall
consist of this specification sheet and MIL-PRF-55339.
Reference
Series
Contact
A
BNC
Socket
B
N
Socket
FIGURE 1. General configuration.
AMSC N/A
FSC 5935
For Parts Inquires submit RFQ to Parts Hangar, Inc.
© Copyright 2015 Integrated Publishing, Inc.
A Service Disabled Veteran Owned Small Business