
INCH-POUND
MIL-PRF-55339/34A
10 January 2005
SUPERSEDING
MIL-PRF-55339/34
11 January 1977
PERFORMANCE SPECIFICATION SHEET
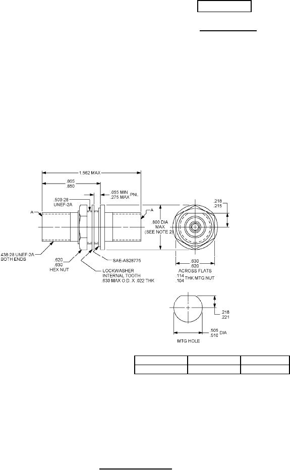
ADAPTER, CONNECTOR, COAXIAL, RADIO FREQUENCY.
(WITHIN SERIES TNC, (HERMETIC)), CLASS 2, RECEPTACLE
This specification is approved for use by all Departments
and Agencies of the Department of Defense.
The requirements for acquiring the product described herein shall consist of this specification sheet and
MIL-PRF-55339.
Inches
mm
Inches
mm
.022
0.56
.500
12.7
.055
1.40
.505
12.83
.104
2.64
.510
12.95
.114
2.89
.620
15.75
.215
5.46
.630
16.00
.218
5.54
.800
20.32
.221
5.61
.850
21.59
.275
6.98
.865
21.97
Reference
Series
Contact
.4375 11.112
1.562
39.67
A
TNC
Socket
NOTES:
1. Dimensions are in inches.
2. This dimension is the largest overall diameter of the connector.
3. Metric equivalents are given for information only.
4. Minimum panel thickness .055 minimum (1.40 mm).
5. Interface shall be in accordance with MIL-STD-348.
FIGURE 1. General configuration.
AMSC N/A
FSC 5935
For Parts Inquires submit RFQ to Parts Hangar, Inc.
© Copyright 2015 Integrated Publishing, Inc.
A Service Disabled Veteran Owned Small Business