
INCH-POUND
MIL-PRF-55339/51A
10 January 2005
SUPERSEDING
MIL-PRF-55339/51 (USAF)
28 April 1978
.
PERFORMANCE SPECIFICATION SHEET
ADAPTER, CONNECTOR, COAXIAL, RADIO FREQUENCY.
(BETWEEN SERIES TNC TO SERIES N), CLASS 2, STRAIGHT PLUG
This specification is approved for use by all Departments
and Agencies of the Department of Defense.
The requirements for acquiring the product described herein shall consist of this specification sheet and
MIL-PRF-55339.
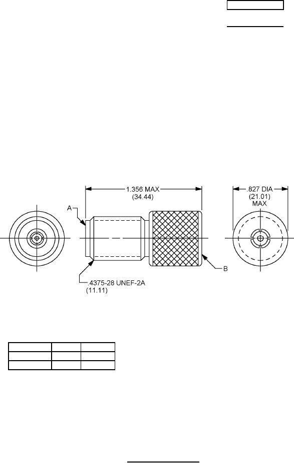
Reference
Series
Contact
A
TNC
Socket
B
N
Pin
NOTES:
1. Dimensions are in inches.
2. Metric equivalents are given for information only.
3. All undimensioned pictorial representations are for reference purposes only.
4. Interfaces shall be in accordance with MIL-STD-348.
FIGURE 1. General configuration.
AMSC N/A
FSC 5935
For Parts Inquires submit RFQ to Parts Hangar, Inc.
© Copyright 2015 Integrated Publishing, Inc.
A Service Disabled Veteran Owned Small Business