
MIL-PRF-55339C
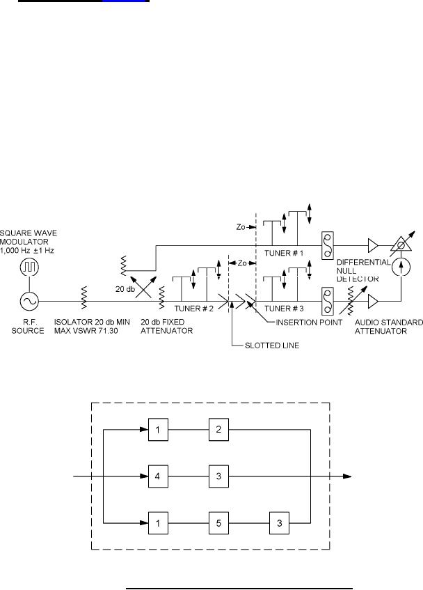
the insertion loss of the adapter is the reflection and dissipating loss of two standard test connectors
one for each interface of the adapter under test. Before performing the measurement on the adapter
under test, the following two-step checkout procedure shall be performed:
Step 1 The insertion loss of item 1 and 2 on figure 5 shall be measured.
Step 2 The insertion loss of items 4 and 3 shall be measured.
To perform the measurement on the adapter under test, items 1, 5, and 3 shall be inserted as shown,
and the insertion loss shall be measured.
Note: Slotted line with low residual reflection, hermaphroditic output fitting compatible with tuner #3
input fitting. VSWR less than 1.006 + .003F (F in GHz).
FIGURE 5. Method of insertion loss and rated connector pair.
20
For Parts Inquires submit RFQ to Parts Hangar, Inc.
© Copyright 2015 Integrated Publishing, Inc.
A Service Disabled Veteran Owned Small Business