MIL-STD-16328
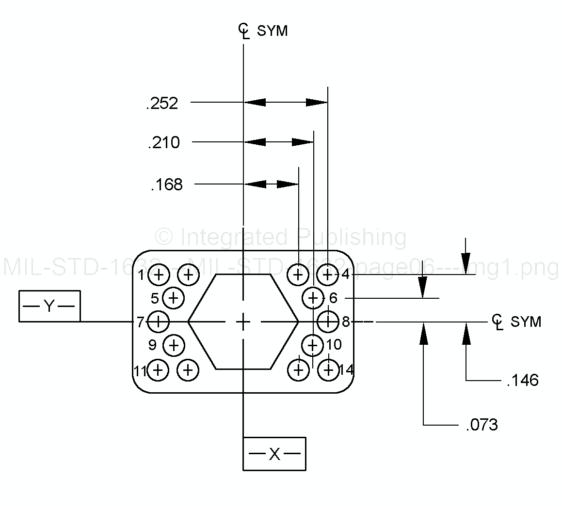
SHELL SIZE 8

Inches |
mm |
.073 |
1.85 |
.146 |
3.71 |
.168 |
4.27 |
.210 |
5.33 |
.252 |
6.40 |
Arrangement number |
Number of contacts |
Size contact |
1 |
14 |
22 |
FIGURE 1. Dimensions and configurations.
3
For Parts Inquires submit RFQ to Parts Hangar, Inc.
© Copyright 2015 Integrated Publishing, Inc.
A Service Disabled Veteran Owned Small Business