MS14054F

Quantity |
Contact |
Size |
Socket SAE-AS39029/49 M39029- |
Pin SAE-AS39029/48 M39029- |
2 |
A, B |
6 |
329 |
317 |
1 |
N |
6N |
329 (see note 6) |
318 |
1 |
G |
4N |
331 (see note 6) |
321 |
NOTES:
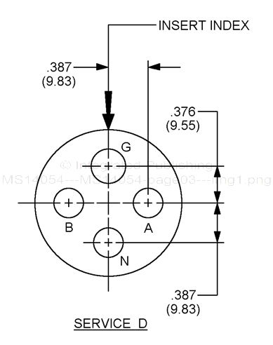
1. Dimensions are in inches. Metric equivalents are given for information only. Unless otherwise specified, tolerance is ± .002 (.05 mm).
2. Unless otherwise specified, front face of pin insert pattern is shown. Socket inserts are the reverse.
3. -06-Cable IPCEA 3-NO 8 conductor round type G.
4. -07-Cable-C0-03-HDF (3/6-3/10R) 1000 in accordance with MIL-DTL-3432.
5. Mark 28-06 on 28-07 insert. Trademark and 28-( ) shall appear in available space. Contact identifying letter shall be located so as to identify relative contact.
6. Only the pin contact is lengthened and has the N (neutral) designation. The mating socket contact is the same as the power contact.
FIGURE 3. AC single phase three wire grounding, -06 and -07 insert arrangements, service D.
3
For Parts Inquires submit RFQ to Parts Hangar, Inc.
© Copyright 2015 Integrated Publishing, Inc.
A Service Disabled Veteran Owned Small Business