MS17343G

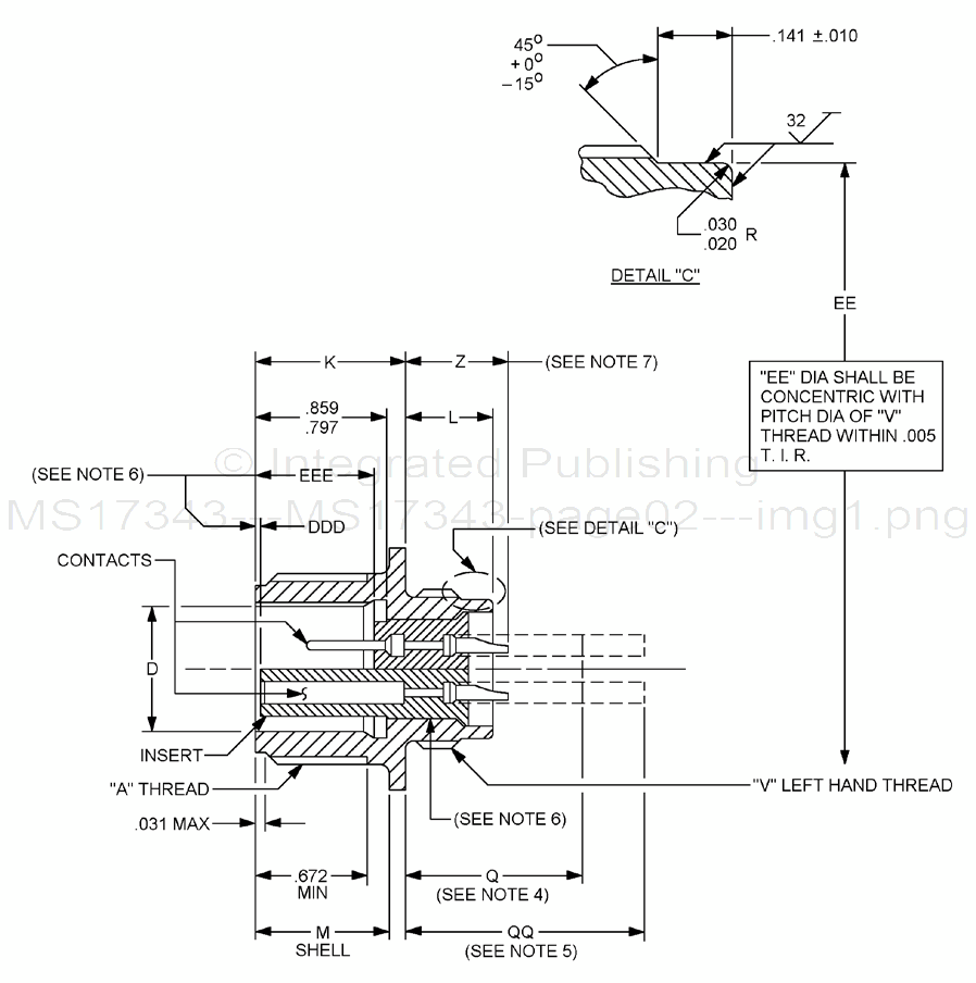
FIGURE 1. Dimensions and configuration - Continued.
2
For Parts Inquires submit RFQ to Parts Hangar, Inc.
© Copyright 2015 Integrated Publishing, Inc.
A Service Disabled Veteran Owned Small Business
MS17343G

FIGURE 1. Dimensions and configuration - Continued.
2