INCH-POUND
MS17345F
16 January 2013
SUPERSEDING MS17345E
26 October 2005
DETAIL SPECIFICATION SHEET
CONNECTOR, PLUG, ELECTRICAL, CABLE CONNECTING, FEMALE This specification is approved for use by all Departments
and Agencies of the Department of Defense.
The requirements for acquiring the product described herein shall consist of this specification sheet and MIL-DTL-22992.

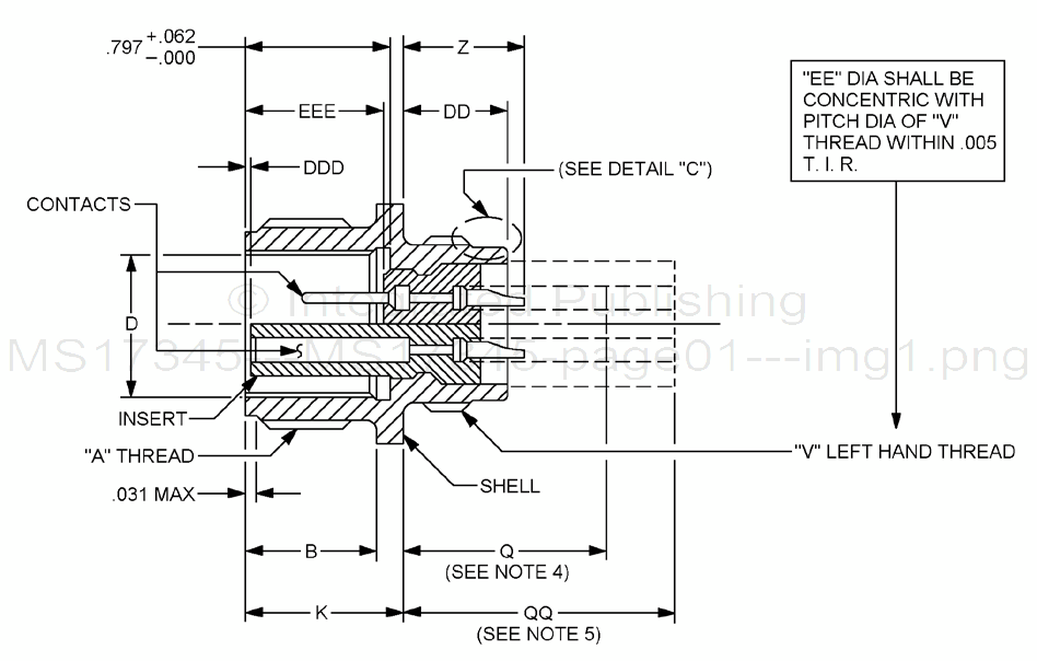
FIGURE 1. Dimensions and configuration.
AMSC N/A FSC 5935
For Parts Inquires submit RFQ to Parts Hangar, Inc.
© Copyright 2015 Integrated Publishing, Inc.
A Service Disabled Veteran Owned Small Business