INCH-POUND
MS17347F
16 January 2013
SUPERSEDING MS17347E
20 December 2002
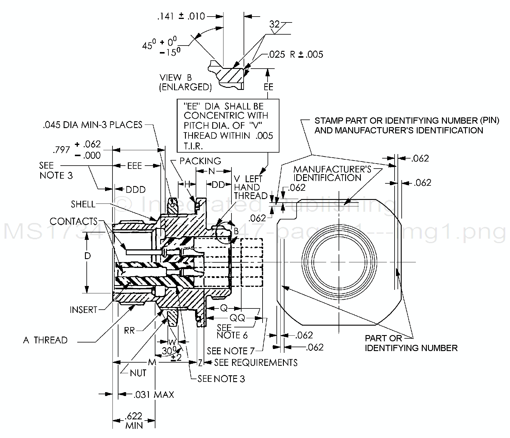
DETAIL SPECIFICATION SHEET CONNECTOR, RECEPTACLE, ELECTRICAL, JAM NUT
This specification is approved for use by all Departments and Agencies of the Department of Defense.
The requirements for acquiring the product described herein shall consist of this specification sheet and MIL-DTL-22992.

FIGURE 1. Dimensions and configuration.
AMSC N/A FSC 5935
For Parts Inquires submit RFQ to Parts Hangar, Inc.
© Copyright 2015 Integrated Publishing, Inc.
A Service Disabled Veteran Owned Small Business