MS17348H

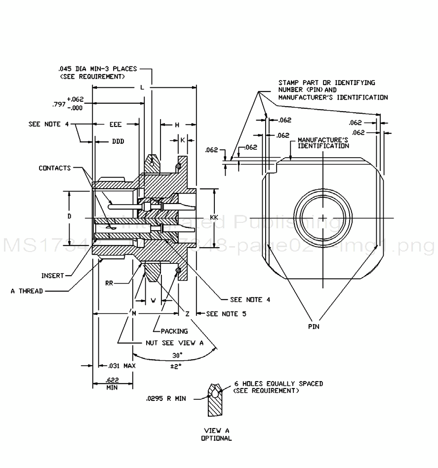
FIGURE 1. Configuration and dimensions - Continued.
2
For Parts Inquires submit RFQ to Parts Hangar, Inc.
© Copyright 2015 Integrated Publishing, Inc.
A Service Disabled Veteran Owned Small Business
MS17348H

FIGURE 1. Configuration and dimensions - Continued.
2