DETAIL SPECIFICATION SHEET
INCH - POUND MS20026F
31 August 2010
SUPERSEDING MS20026E
20 May 2005
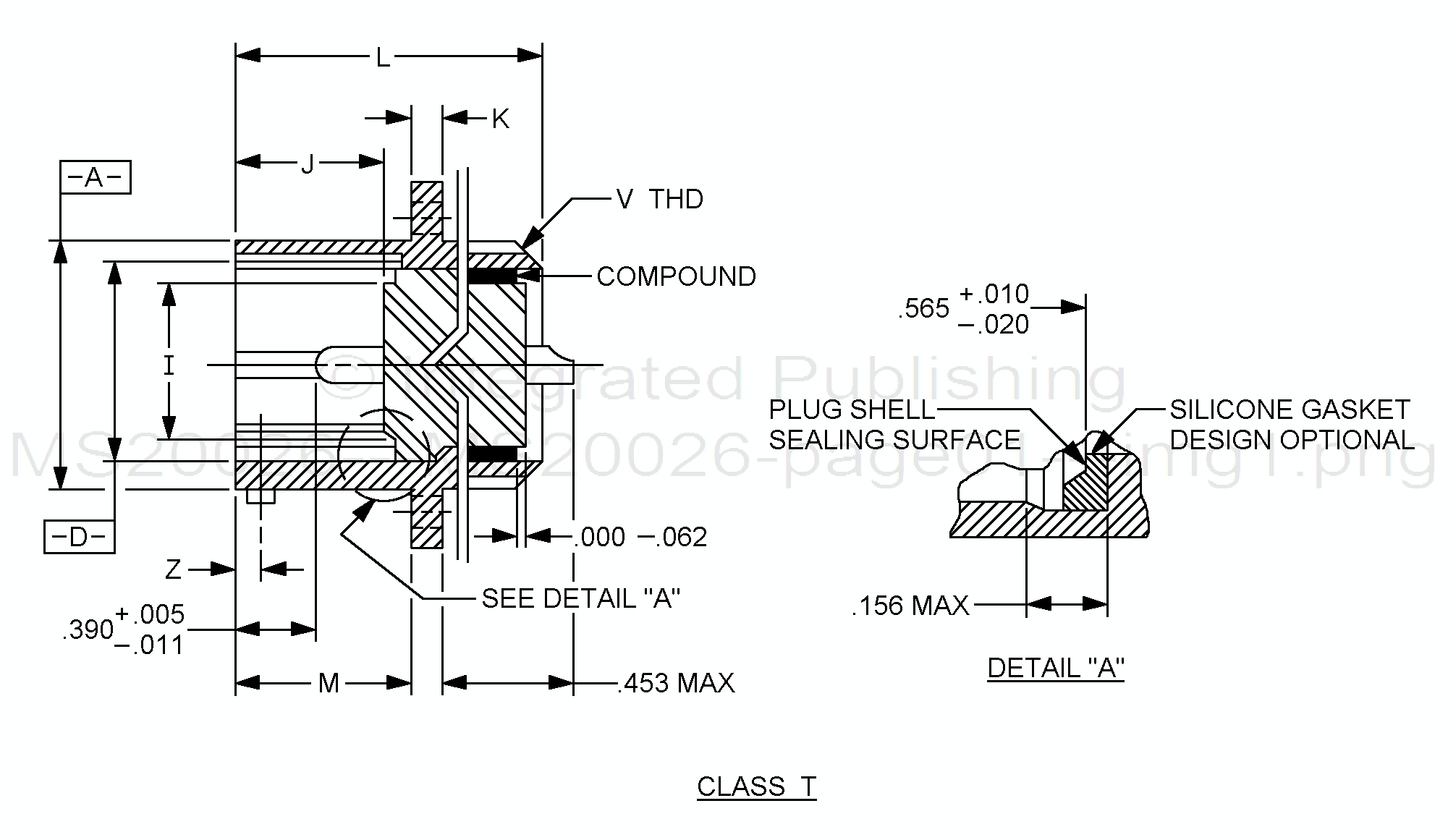
CONNECTORS, RECEPTACLE, ELECTRICAL, WALL MOUNT, SOLDER TYPE, BAYONET COUPLING, CLASS T, SERIES 1
Inactive for new design after 7 December 1998.
This specification is approved for use by all Departments and Agencies of the Department of Defense.
The requirements for acquiring the product described herein shall consist of this specification sheet and MIL-DTL-27599.

FIGURE 1. Receptacle, wall mount.
AMSC N/A FSC 5935
For Parts Inquires submit RFQ to Parts Hangar, Inc.
© Copyright 2015 Integrated Publishing, Inc.
A Service Disabled Veteran Owned Small Business