INCH-POUND MS24120E
9 July 2004 SUPERSEDING MS24120D
29 March 1991
DETAIL SPECIFICATION SHEET RING, COUPLING, ROTATING
This specification is approved for use by all Departments and Agencies of the Department of Defense.
The requirements for acquiring the product described herein shall consist of this specification sheet.

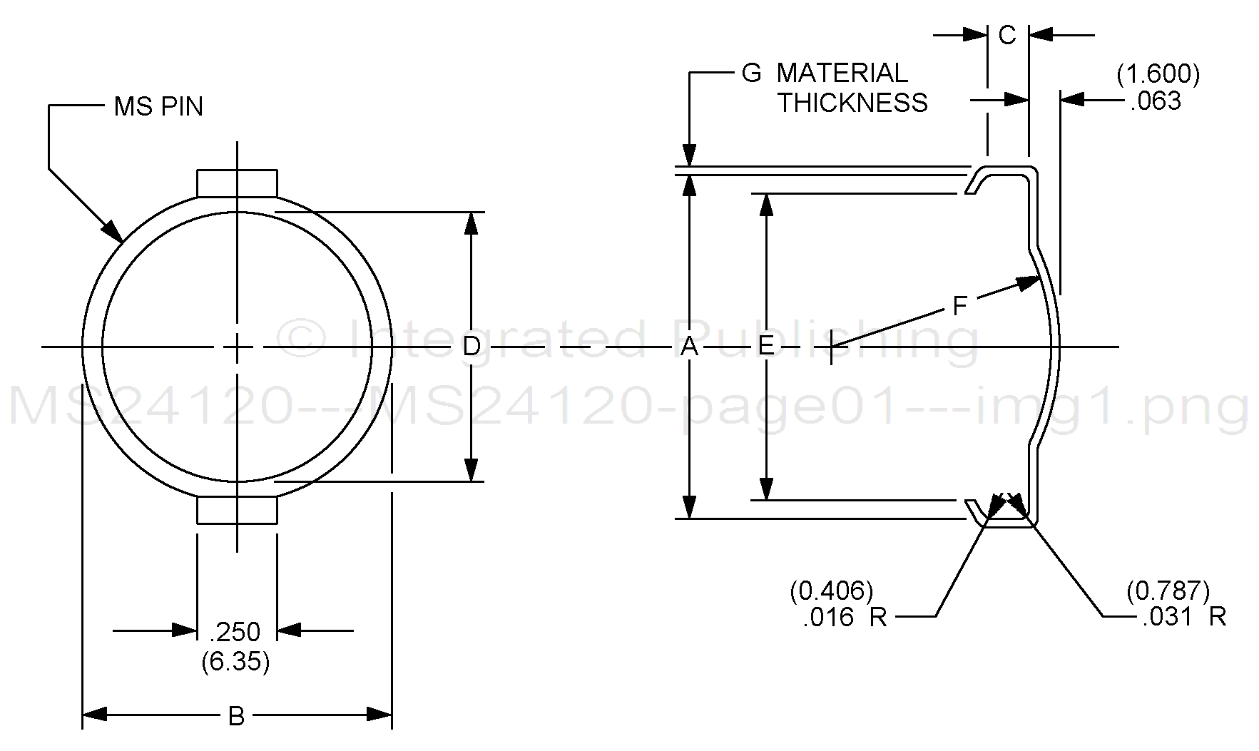
FIGURE 1. Dimensions and configurations.
AMSC N/A FSC 5935
For Parts Inquires submit RFQ to Parts Hangar, Inc.
© Copyright 2015 Integrated Publishing, Inc.
A Service Disabled Veteran Owned Small Business