INCH-POUND MS24129D
3 October 2002
SUPERSEDING MS24129C
6 December 1971
DETAIL SPECIFICATION SHEET
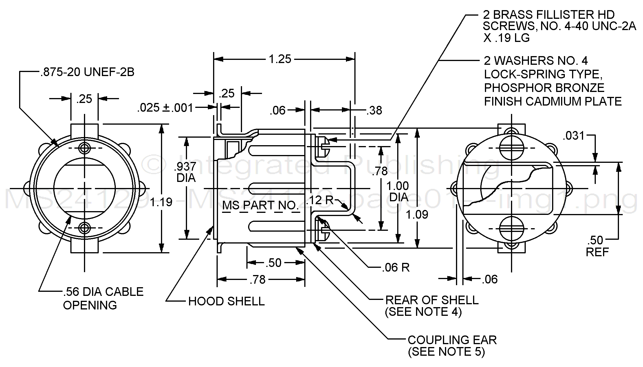
HOOD, ELECTRICAL CONNECTOR, RIGHT ANGLE
This specification is approved for use by all Departments and Agencies of the Department of Defense.
The requirements for acquiring the product described herein shall consist of this specification and MIL-DTL-28748.
MS24129 is inactive for new design and is used for replacement purposes only.

FIGURE 1. Hood dimensions and configuration.
AMSC N/A 1 of 3 FSC 5935
DISTRIBUTION STATEMENT A. Approved for public release; distribution is unlimited.
For Parts Inquires submit RFQ to Parts Hangar, Inc.
© Copyright 2015 Integrated Publishing, Inc.
A Service Disabled Veteran Owned Small Business