INCH-POUND
MS27142D
17 June 2003
SUPERSEDING MS27142C
23 October 1984
DETAIL SPECIFICATION SHEET
CONNECTOR, PLUG, ELECTRICAL-PIN CONTACT, NO. 12, 14, 16 AWG, WATERPROOF
This specification is approved for use by all Departments and Agencies of the Department of Defense.
The requirements for acquiring the product described herein shall consist of this specification.

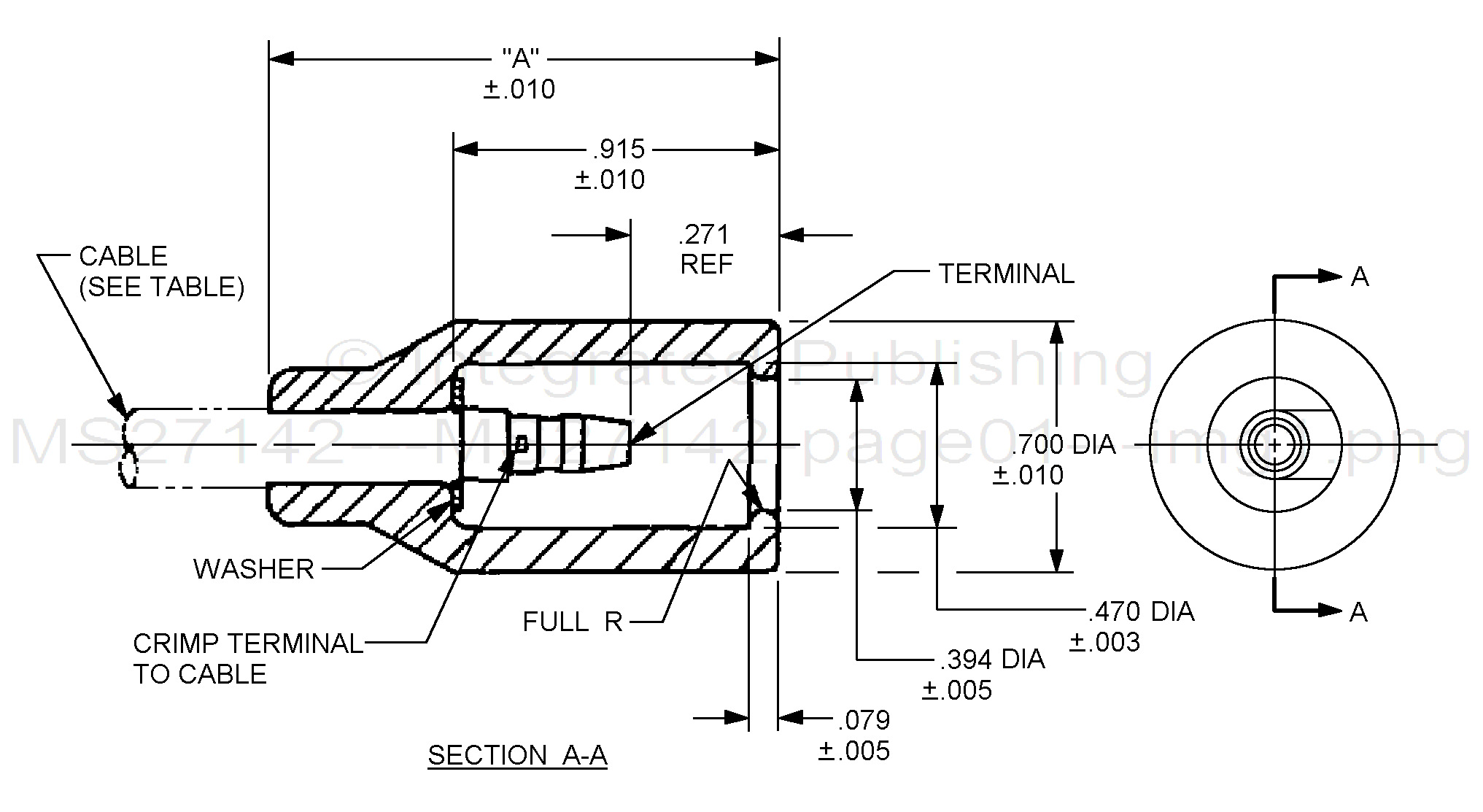
Inches |
mm |
Inches |
mm |
.003 |
.076 |
.271 |
6.88 |
.005 |
.127 |
.394 |
10.01 |
.010 |
.254 |
.470 |
11.94 |
.015 |
.381 |
.700 |
17.78 |
.079 |
2.00 |
.915 |
23.24 |
.135 |
3.43 |
1.328 |
33.73 |
.160 |
4.06 |
1.421 |
36.09 |
.235 |
5.96 |
FIGURE 1. Configuration and dimensions.
AMSC N/A 1 of 3 FSC 5935
DISTRIBUTION STATEMENT A. Approved for public release; distribution is unlimited.
For Parts Inquires submit RFQ to Parts Hangar, Inc.
© Copyright 2015 Integrated Publishing, Inc.
A Service Disabled Veteran Owned Small Business