INCH-POUND
MS27144C
17 June 2003
SUPERSEDING MS27144B
16 February 1988
DETAIL SPECIFICATION SHEET
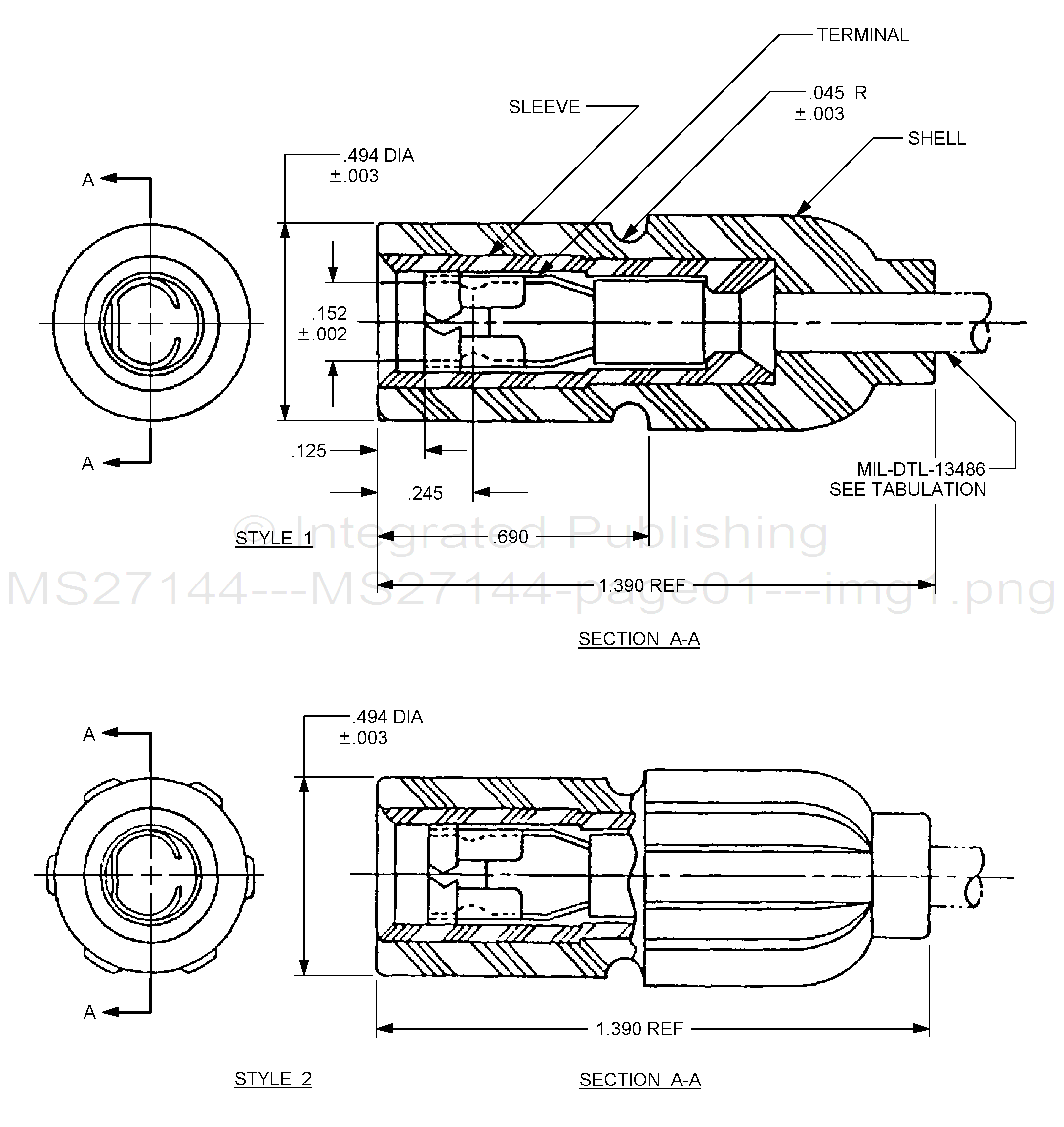
CONNECTOR, PLUG, ELECTRICAL, SOCKET CONTACT, NO. 14 AND 16 AWG, WATERPROOF
This specification is approved for use by all Departments and Agencies of the Department of Defense.
The requirements for acquiring the product described herein shall consist of this specification.

FIGURE 1. Configuration and dimensions.
AMSC N/A 1 of 3 FSC 5935
DISTRIBUTION STATEMENT A. Approved for public release; distribution is unlimited.
For Parts Inquires submit RFQ to Parts Hangar, Inc.
© Copyright 2015 Integrated Publishing, Inc.
A Service Disabled Veteran Owned Small Business