INCH-POUND
MS27267A
21 February 2013
SUPERSEDING MS27267 (USAF)
7 October 1963
DETAIL SPECIFICATION SHEET
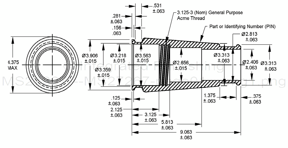
SHELL, ELECTRICAL CONNECTOR - RAMP POWER, 416/240 VOLTS This specification is approved for use by all Departments and
Agencies of the Department of Defense.
The requirements for acquiring the product described herein shall consist of this specification sheet and MIL-DTL-38159.

FIGURE 1. Shell, electrical connector - ramp power, 416/240 volts.
AMSC N/A FSC 5935
For Parts Inquires submit RFQ to Parts Hangar, Inc.
© Copyright 2015 Integrated Publishing, Inc.
A Service Disabled Veteran Owned Small Business