MS27334E

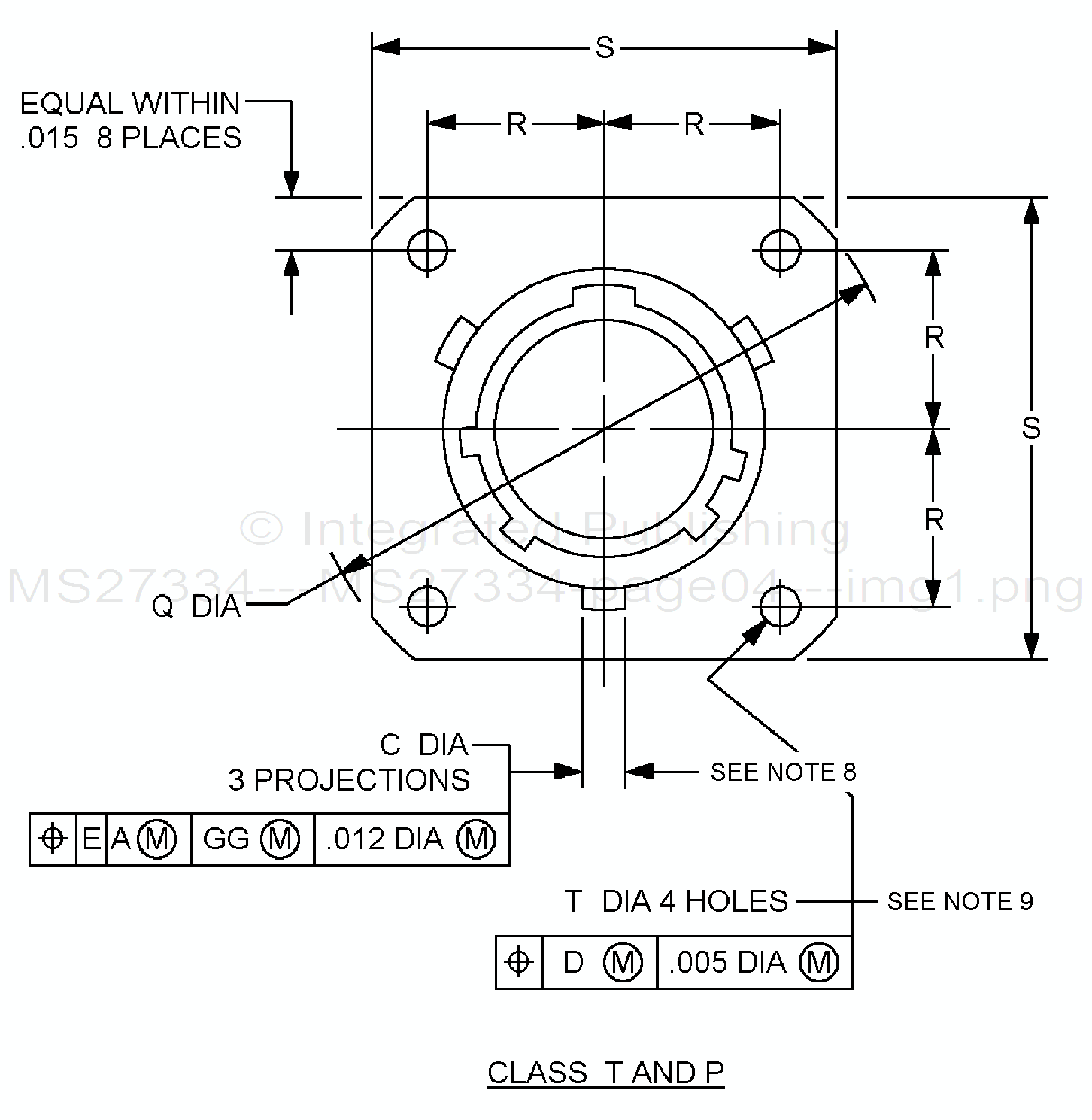
FIGURE 1. Receptacle, wall mount flange - Continued.
4
For Parts Inquires submit RFQ to Parts Hangar, Inc.
© Copyright 2015 Integrated Publishing, Inc.
A Service Disabled Veteran Owned Small Business
MS27334E

FIGURE 1. Receptacle, wall mount flange - Continued.
4