MS27335E

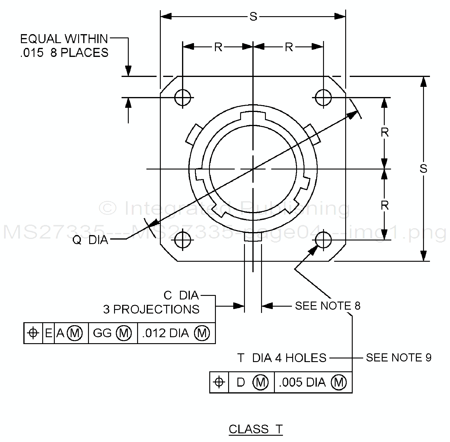
FIGURE 1. Receptacle, box, flange mount - Continued.
4
For Parts Inquires submit RFQ to Parts Hangar, Inc.
© Copyright 2015 Integrated Publishing, Inc.
A Service Disabled Veteran Owned Small Business
MS27335E

FIGURE 1. Receptacle, box, flange mount - Continued.
4