An Integrated Publishing, Inc. Site
An Integrated Publishing Website
Pages 1 - 2 - 3 - 4 - 5 - 6 - 7 - 8 - 9
MS27336G
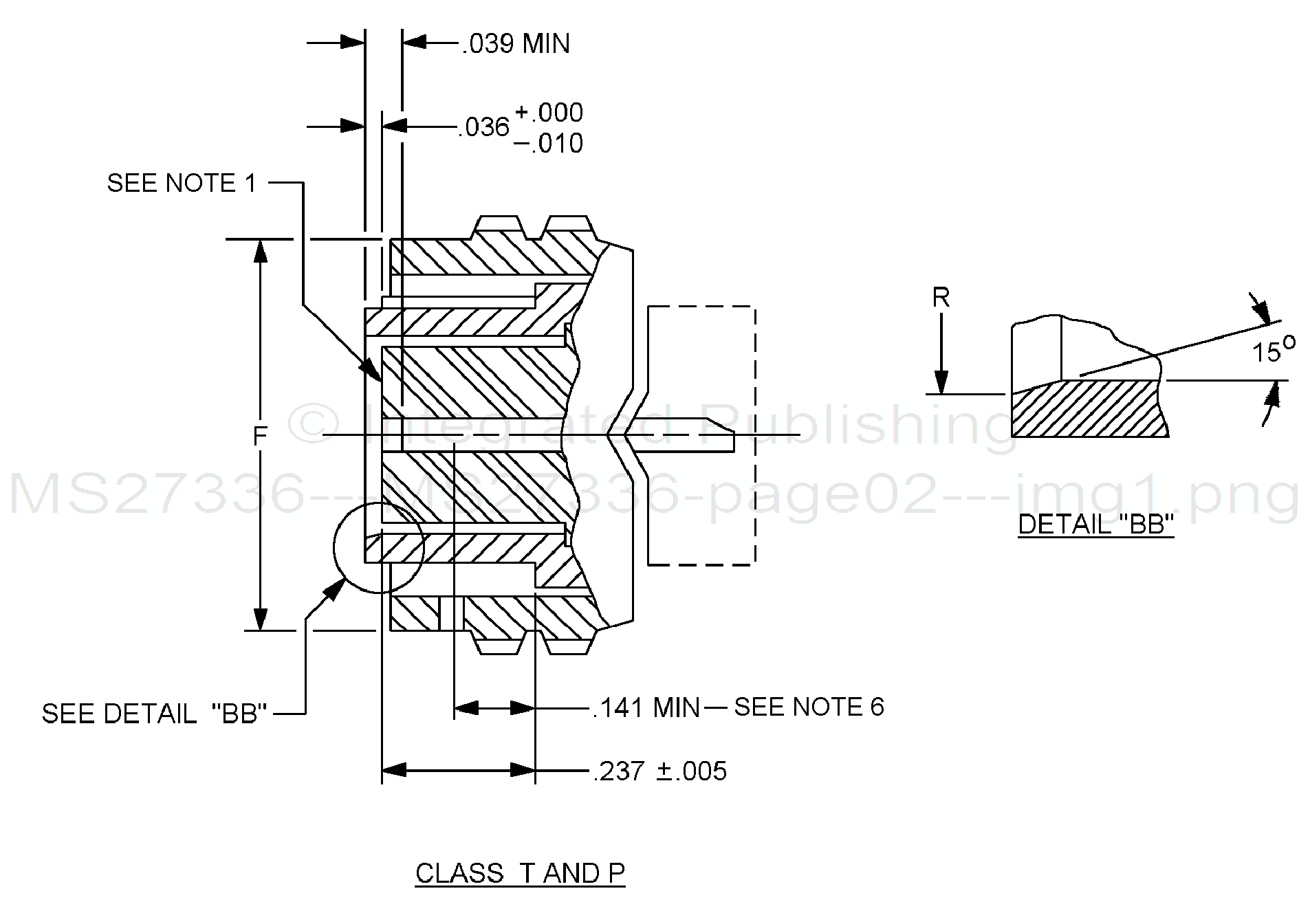
FIGURE 1. Plug, straight - Continued.
2