INCH-POUND MS27470H
13 April 2012
SUPERSEDING MS27470G
12 July 2002
DETAIL SPECIFICATION SHEET
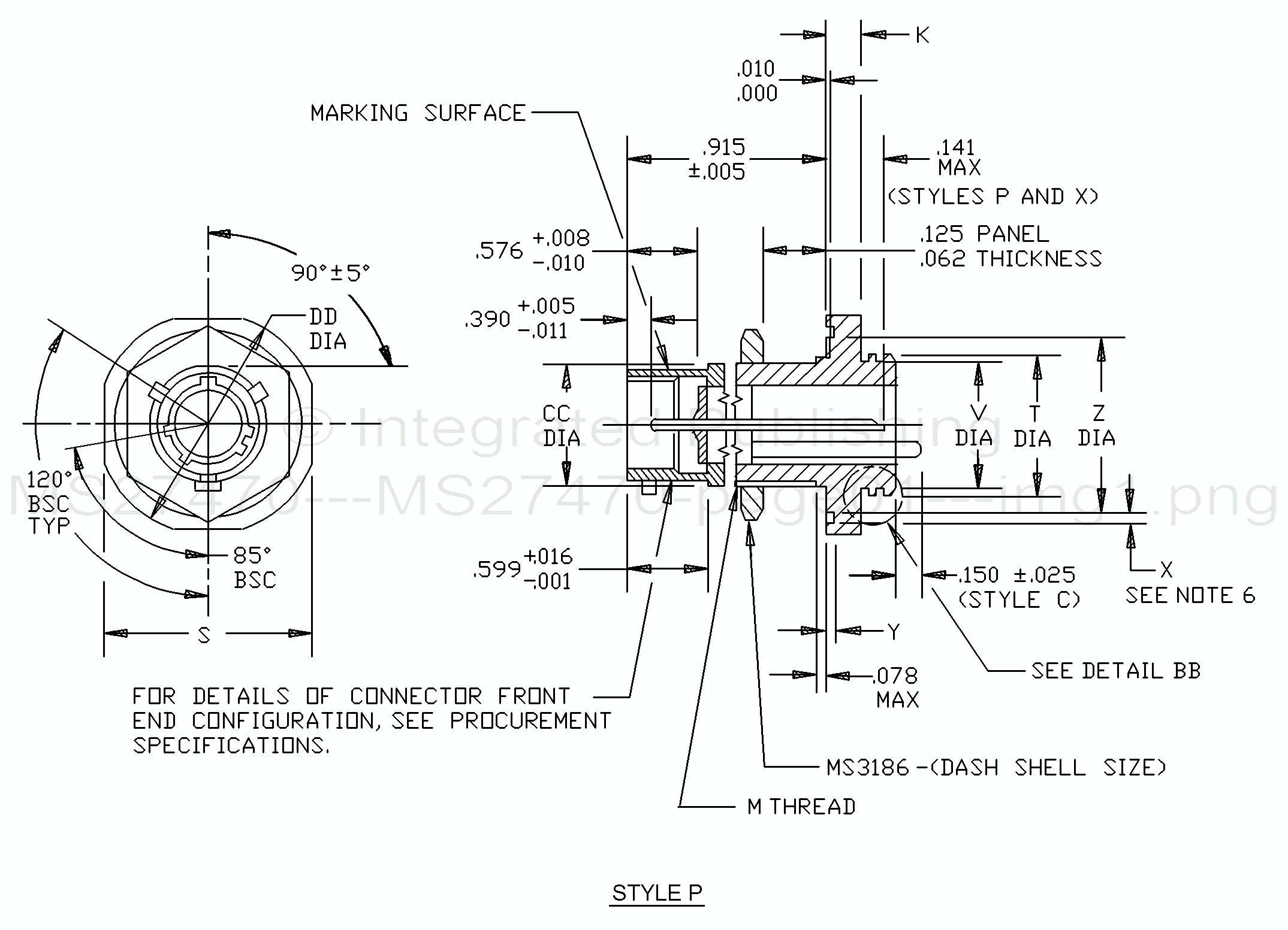
CONNECTORS, RECEPTACLE, ELECTRICAL, JAM NUT MOUNTING, SOLDER TYPE, HERMETIC SEAL, SERIES I
This specification is approved for use by all Departments and Agencies of the Department of Defense.
The requirements for acquiring the product described herein shall consist of this specification sheet and MIL-DTL-38999.

FIGURE 1. Plug, class Y.
AMSC N/A FSC 5935
For Parts Inquires submit RFQ to Parts Hangar, Inc.
© Copyright 2015 Integrated Publishing, Inc.
A Service Disabled Veteran Owned Small Business