INCH-POUND
MS27508H
24 November 2008
SUPERSEDING MS27508G
12 July 2002
DETAIL SPECIFICATION SHEET
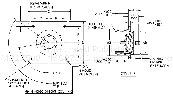
CONNECTORS, RECEPTACLE, ELECTRICAL, BACK PANEL,
BOX MOUNTING FLANGE, CRIMP TYPE, BAYONET COUPLING, SERIES II
Reactivated after 24 May 2004 and may be used for new and existing designs and acquisitions.
This specification is approved for use by all Departments and Agencies of the Department of Defense.
The requirements for acquiring the product described herein shall consist of this specification sheet and MIL-DTL-38999.

FIGURE 1. Receptacle.
AMSC N/A FSC 5935
For Parts Inquires submit RFQ to Parts Hangar, Inc.
© Copyright 2015 Integrated Publishing, Inc.
A Service Disabled Veteran Owned Small Business