INCH-POUND
MS27558E
14 August 2009
SUPERSEDING MS27558D
06 February 2004
DETAIL SPECIFICATION SHEET
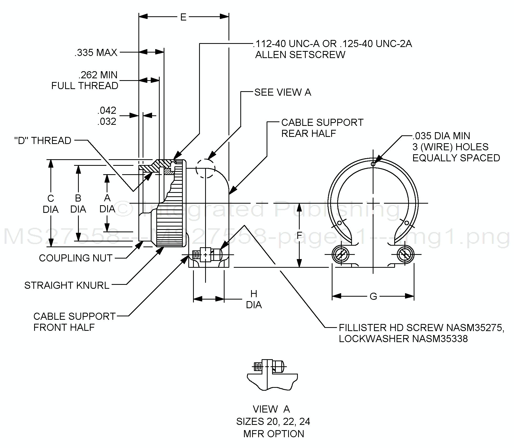
SUPPORT, CABLE, RIGHT ANGLE, CLOSED
Inactive for new design after 14 November 1977.
This specification is approved for use by all Departments and Agencies of the Department of Defense.
The requirements for acquiring the product described herein shall consist of this specification sheet and MIL-DTL-26500.

FIGURE 1. Dimensions and configuration.
AMSC N/A FSC 5935
For Parts Inquires submit RFQ to Parts Hangar, Inc.
© Copyright 2015 Integrated Publishing, Inc.
A Service Disabled Veteran Owned Small Business