INCH-POUND
MS27568A
21 February 2013
SUPERSEDING MS27568 (USAF)
30 August 1967
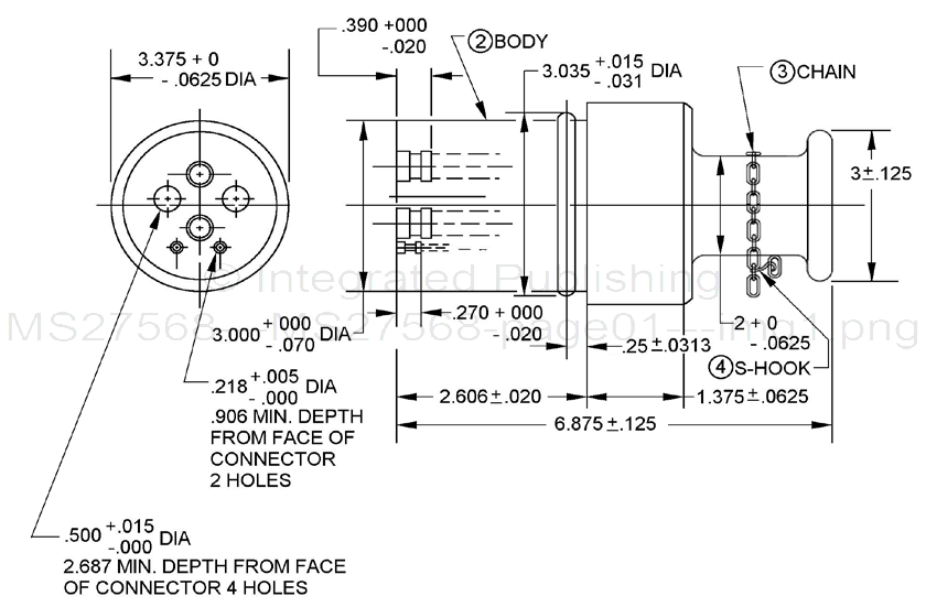
DETAIL SPECIFICATION SHEET DUMMY, CONNECTOR, ELECTRICAL, FEMALE
This specification is approved for use by all Departments and
Agencies of the Department of Defense.
The requirements for acquiring the product described herein shall consist of this specification sheet and MIL-DTL-38159.

Inches |
mm |
Inches |
mm |
Inches |
mm |
.005 |
0.13 |
.218 |
5.54 |
2 |
50.8 |
.015 |
0.38 |
.250 |
6.35 |
2.606 |
66.19 |
.020 |
0.51 |
.270 |
6.86 |
2.69 |
68.33 |
.031 |
0.79 |
.390 |
9.91 |
3.000 |
76.20 |
.063 |
1.60 |
.500 |
1.27 |
3.035 |
77.09 |
.070 |
1.78 |
.91 |
23.1 |
3.375 |
85.73 |
.125 |
3.18 |
1.375 |
34.93 |
6.875 |
174.63 |
FIGURE 1. Contact, ramp power, 412/240 volts, large female.
AMSC N/A FSC 5935
For Parts Inquires submit RFQ to Parts Hangar, Inc.
© Copyright 2015 Integrated Publishing, Inc.
A Service Disabled Veteran Owned Small Business