INCH-POUND
MS27614F
14 August 2009 SUPERSEDING MS27614E
6 February 2004
DETAIL SPECIFICATION SHEET
CONNECTORS, ELECTRICAL, RECEPTACLE, "D" HOLE MOUNT, FIREWALL SERIES
Inactive for new design, after 14 November 1977. For new design, use
MIL-DTL-83723, series III, class K, which is interchangeable.
This specification is approved for use by all Departments and Agencies of the Department of Defense.
The requirements for acquiring the product described herein shall consist of this specification sheet and MIL-DTL-26500.

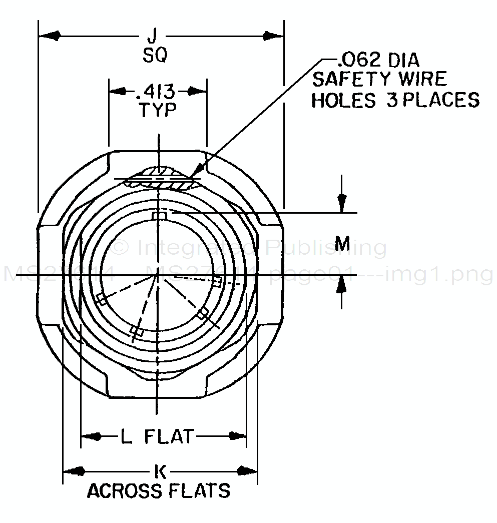
FIGURE 1. Receptacle dimensions.
AMSC N/A FSC 5935
For Parts Inquires submit RFQ to Parts Hangar, Inc.
© Copyright 2015 Integrated Publishing, Inc.
A Service Disabled Veteran Owned Small Business