INCH-POUND MS27661F
29 August 2011
SUPERSEDING MS27661E
12 July 2002
DETAIL SPECIFICATION SHEET
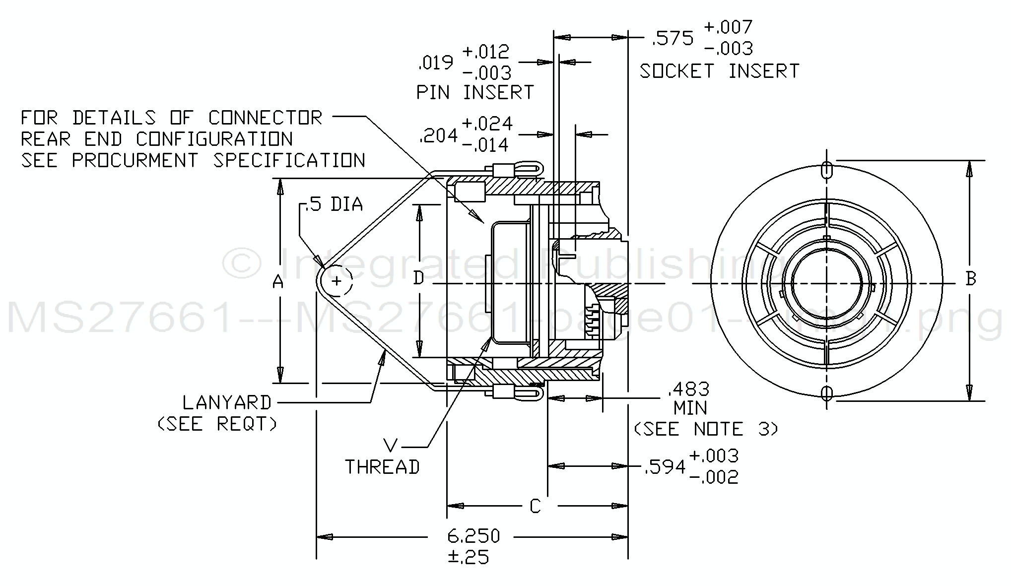
CONNECTORS, PLUG, ELECTRICAL, CRIMP TYPE, LANYARD RELEASE, FAIL-SAFE, SERIES I
This specification is approved for use by all Departments and Agencies of the Department of Defense.
The requirements for acquiring the product described herein shall consist of this specification sheet and MIL-DTL-38999.

Inches |
mm |
Inches |
mm |
Inches |
mm |
.002 |
0.05 |
.019 |
0.48 |
.500 |
12.70 |
.003 |
0.08 |
.024 |
0.61 |
.5625 |
14.29 |
.007 |
0.18 |
.204 |
5.18 |
.575 |
14.61 |
.012 |
0.30 |
.250 |
6.35 |
.594 |
15.09 |
.014 |
0.36 |
.483 |
12.27 |
6.25 |
158.75 |
FIGURE 1. Plug, classes E and T.
AMSC N/A FSC 5935
For Parts Inquires submit RFQ to Parts Hangar, Inc.
© Copyright 2015 Integrated Publishing, Inc.
A Service Disabled Veteran Owned Small Business