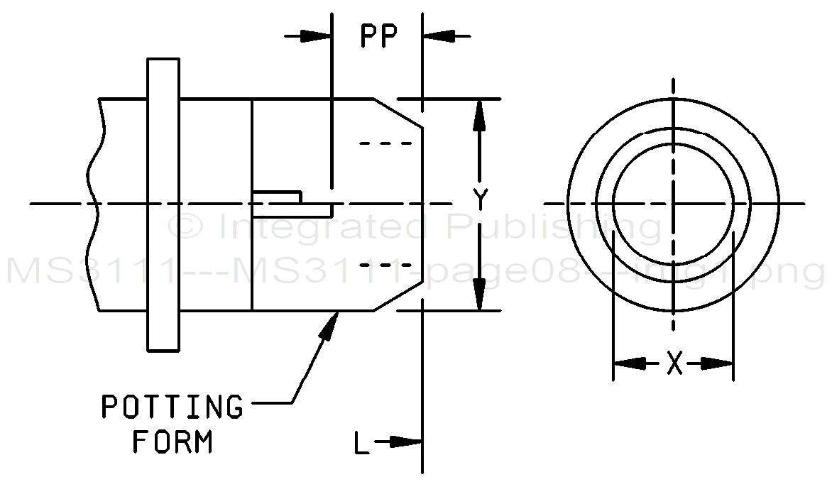
MS3111E

Shell Size |
L max overall length |
x dia min ID |
y dia max OD |
PP min |
8 |
1.453 (36.91) |
.317 (8.05) |
.608 (15.44) |
.250 (6.35) |
10 |
.434 (11.02) |
.734 (18.64) |
||
12 |
.548 (13.92) |
.858 (21.79) |
||
14 |
.673 (17.09) |
.984 (24.99) |
||
16 |
.798 (20.27) |
1.110 (28.19) |
||
18 |
.899 (22.83) |
1.234 (31.34) |
||
20 |
1.672 (42.47) |
1.024 (26.01) |
1.360 (34.54) |
|
22 |
1.149 (29.18) |
1.686 (42.82) |
||
24 |
1.734 (44.04) |
1.274 (32.36) |
1.610 (40.89) |
NOTES:
1. Dimensions are in inches. Metric equivalents are given for information only.
2. True position (TP) tolerances specified are in accordance with ASME y14.5M.
3. Intermateability dimensions shall be in accordance with MIL-DTL-26482.
FIGURE 5. Plug, rear accessories configurations, class P.
8
For Parts Inquires submit RFQ to Parts Hangar, Inc.
© Copyright 2015 Integrated Publishing, Inc.
A Service Disabled Veteran Owned Small Business