MS3114L
CLASS F

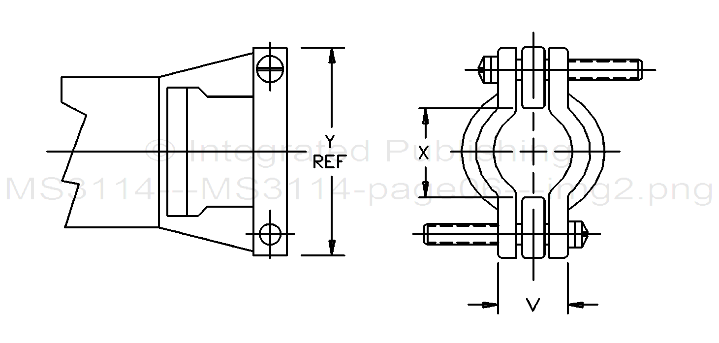
DIMENSIONS WITH BUSHING, CLASS F

DIMENSIONS WITH BUSHING REMOVED, CLASS F
FIGURE 1. Dimensions and configurations for classes E, F and P - Continued.
6
For Parts Inquires submit RFQ to Parts Hangar, Inc.
© Copyright 2015 Integrated Publishing, Inc.
A Service Disabled Veteran Owned Small Business