MS3120G

Bushing installed

Bushing removed
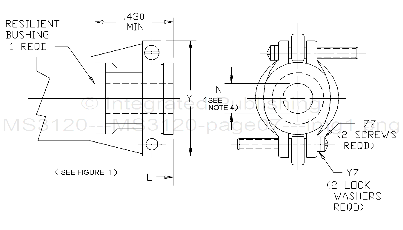
FIGURE 4. Receptacle, dimensions, class F.
7
For Parts Inquires submit RFQ to Parts Hangar, Inc.
© Copyright 2015 Integrated Publishing, Inc.
A Service Disabled Veteran Owned Small Business
MS3120G

Bushing installed

Bushing removed
FIGURE 4. Receptacle, dimensions, class F.
7