MS3121D

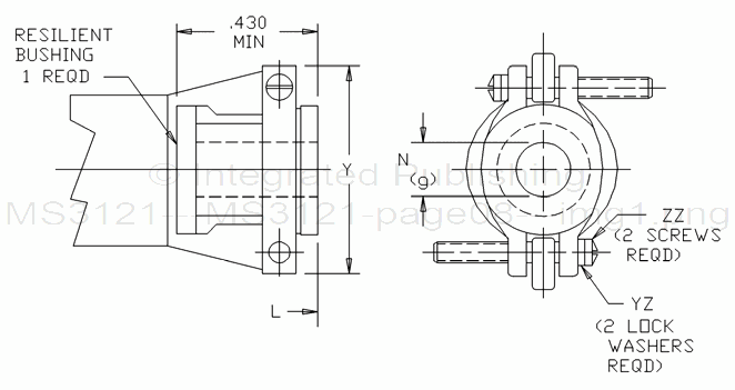
Dimensions for class F

Inches |
mm |
.430 |
10.92 |
Dimensions for class F, bushing removed
FIGURE 1. Dimensions for classes E, F, and P - Continued.
8
For Parts Inquires submit RFQ to Parts Hangar, Inc.
© Copyright 2015 Integrated Publishing, Inc.
A Service Disabled Veteran Owned Small Business